EnglishSlovenskyČesky

Digireg® M3-E72 digitální řídící systémŘídicí systémy

  Katalogový list  Návod k použití2D/3D CAD59.326 Kč

Toto zboží není možno objednat přes internet, kontaktujte naše obchodní oddělení nebo navštivte naše pobočky.

Technické parametry
hlavní vypínač
[A]
jistič - V
[A]
přívodní napětí - V
[V]
přívodní výkon - V
[kW]
odvodní napětí - V
[V]
odvodní výkon - V
[kW]
jistič - T
[A]
napětí - T
[V]
výkon - T
[kW]
SSR proud - T
[A]
SSR počet - T
[-]
přívodní kabel*
[typ]
hlavní jistič*
[typ]
12020400640062x60400721044CYKY-J 5x353Px125A

V - parametry ventilátorů, T - parametry topení; * nejsou součástí dodávky, návrh hlavního jističe a přívodního kabelu je součástí projektu elektro

 Informace

Obecný popis systému
• Řídicí systém je umístěn v kompaktní oceloplechové rozvodnici vybavené hlavním vypínačem, digitálním regulátorem na desce DPS a jisticími a spínacími prvky pro ventilátory a elektrický ohřívač VZT jednotky podle tabulky výkonu.
• Kabely procházejí plastovými průchodkami se zajištěním v levém boku rozvaděče.

Základní vlastnosti:
• Určeno pro vzduchotechnická zařízení v různém provedení s ohřevem a chlazením vzduchu.
• Možné použití pro přívodní jednotku, přívodní a odvodní jednotku, rekuperační jednotku, teplovzdušné vytápění (rekuperační a cirkulační jednotku).
• Řídicí i silová část v jednom rozvaděči, výstupy pro připojení přívodního i odvodního ventilátoru, ventilátory mohou být 3 i 1fázové, případně s různými regulátory otáček.
• Plynulá regulace teploty přiváděného vzduchu.
• Sledování základních poruchových stavů vzduchotechnické jednotky.
• Dálkový ovladač s dotykovým panelem.
• Týdenní časový programátor.
• Rozměry a hmotnosti rozvaděčů: M1-Vx, M3-Vx včetně víka, průchodek a vypínače – 640x280x120 (š x v x h), hmotnost cca 8 kg M1-E2 až M3-E36 včetně víka, průchodek, chladiče a vypínače – 660x280x120 (š x v x h), hmotnost 9,5–10 kg M3-E72 včetně víka, průchodek, chladiče a vypínače – 740x400x170 (š x v x h), hmotnost cca 15 kg (výroba na zakázku)

Regulace teploty
je nastavitelná při zprovoznění dle požadavku uživatele.
• Regulátor Digireg® je určen pro řízení výkonu ohřívače nebo chladiče vzduchotechnické jednotky pro dosažení žádané teploty. Může povelovat přímé chlazení nebo tepelné čerpadlo. Je k dispozici 3bodový výstup pro servopohon směšovacího ventilu, přímé silové výstupy SSR pro elektroohřev nebo dva analogové výstupy 0–10 V/0–20 mA pro externí regulátory ohřívačů. Ovládání tepelného čerpadla nebo chladicí jednotky provedeno bezpotenciálovými kontakty.
• Regulace na konstantní teplotu přiváděného vzduchu – používá jedno teplotní čidlo v přívodním potrubí, přiváděný vzduch je ohříván nebo chlazen na požadovanou nastavenou teplotu v mezích minimální a maximální nastavitelné teploty.
• Prostorová regulace teploty (na konstantní teplotu v prostoru). Využívá se kaskádní regulace s omezením minimální a maximální teploty přívodního vzduchu. Hlavní čidlo se umístí do větraného prostoru, čidlo přívodního vzduchu se umístí za výměníky v místě s dostatečným promícháním vzduchu. Pokud je teplota v místnosti vyšší než nastavená hodnota, regulátor se bude snažit snižovat teplotu přívodního vzduchu na nastavenou minimální teplotu přiváděného vzduchu. Pokud teplota v prostoru klesne pod nastavenou hodnotu, regulátor se snaží tento stav kompenzovat zvýšením teploty přiváděného vzduchu.
• Jako prostorovou teplotu lze zvolit teplotu čidla na odtahu, z čidla v ovladači, nebo ze samostatného čidla připojeného k základní desce.
• Regulátor chladí nebo topí dle nastavených parametrů v automatickém režimu léto/ zima podle venkovní teploty a časových závislostí. Je možná (v servisním nastavení) i pevná volba režimu léto/zima.

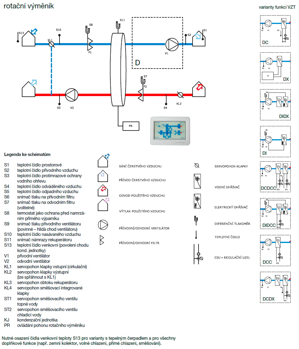
Výměníky
mohou být elektrické nebo vodní.
• Vodní ohřívač je řízený tříbodovým servopohonem. Výkon vodního ohřívače není v podstatě omezen (jeho výkon je dán velikostí směšovacího uzlu).
• Elektrický je přímo řízený SSR nebo externími triakovými spínači 0–10 V. Podle provedení rozvaděče může být spínáno a jištěno až do výkonu 72 kW.
• Vodní chladič je řízený analogovým servopohonem 0–10 V.
• Přímý chladič – řízení kondenzační chladicí jednotky on/off nebo inverterové kondenzační chladicí jednotky s analogovým signálem 0–10 V.
• Ovládání kondenzační jednotky jako tepelného čerpadla pro topení/chlazení.

Speciální funkce
• Ovládání bypassové klapky obtoku rekuperátoru analogovým nebo tříbodovým servopohonem.
• Využití analogového obtoku rekuperátoru k regulaci chlazení nebo topení.
• Možnost řízení rotačního rekuperátoru 0–10 V nebo zap/vyp.
• Použití nezávislého analogového výstupu proporcionálního regulátoru pro směšovací klapku k regulaci na konstantní nebo diferenciální hodnotu teploty, řízení odvlhčování.
• Ovládání čerpadla chlazení a topení.
• Ovládání bezpečnostního stykače elektroohřevu.
• Ovládání chodu plynového ohřívače.
• Povelování vzduchového nebo kapalinového zemního kolektoru s teplotními a časovými závislostmi. Venkovní teplota, čas náběhu a kapacita kolektoru v průběhu 24 hodin.
• Spouštění chodu předehřevu pro rekuperační jednotky dle skutečné potřeby.
• Možnost automatického rozpoznávání letního a zimního provozu nebo pevné volby režimu.
• Řízení bivalentního elektrického nebo kapalinového zdroje pro tepelné čerpadlo.
• Řízení vlhkosti a vlečné regulace teploty (bazénové větrání)
• Samostatné výstupy pro kontaktní signalizaci chodu a poruchy (filtry, čidla, centrální chyba).
• Variantně možné ovládání ze třech míst.
• Programově lze použít vstup pro dálkovou kontaktní blokaci.

Konfigurace
Je možnost řídit následující konfigurace zařízení.
• Řízení přívodní jednotky
• Řízení přívodní a odvodní jednotky
• Řízení rekuperačních jednotek:
– bypass analogový/digitální v provedení deskový/rotační
– bypass na přívodu nebo odvodu
– řízení dohřevu
• Řízení rekuperační jednotky a vytápěcí jednotky (teplovzdušné vytápění)

Možnosti regulace
• Regulace na přívodní teplotu
• Regulace na teplotu prostoru – čidlo v ovladači
• Regulace na teplotu prostoru – samostatné prostorové čidlo
• Regulace na odtahovou teplotu
• Vlečná regulace teploty – pro bazénové větrání od teploty vody
• Hlídání kanálového minima a maxima
• Volba PID parametrů
• Volba funkcí rekuperační jednotky
– Rekuperace povolena/zakázána
– Rovnotlaké větrání
– Volné vychlazování venkovním vzduchem
– Pouze větrání

Dálkový ovladač
• Pro obsluhu je určen standardní dotykový ovladač Digireg® CP-TFT na sběrnici RS485. Při požadavku na komfortnější ovládání je možné připojit jeden nebo dva ovladače Digireg® CP-TFT s komunikací pro RS485 ModBus
• Změna parametrů je uživatelsky přívětivá dotykem na požadovaný údaj bez nutnosti složitého vyhledávání v podadresářích
• Komunikace po datové lince RS485
• Možnost komunikace s nadřazeným systémem (dispečink budovy), komunikační protokol po sběrnici RS485

Motory ventilátorů
dle druhu elektromotoru

Jednofázové motory:
• Řízení EC, FM motorů výstupy 0–10 V
• Přímé spínání dvouotáčkových motorů do 1,4 kW
• Řízení pomocí triakového regulátoru REE6
• Jištění motorů
• Hlídání bezpečnostních nebo signalizačních kontaktů motorů

Třífázové motory:
• Řízení EC, FM motorů výstupy 0–10 V
• Možnost ovládání přímého spínání dvouotáčkových motorů
• Jištění motorů
• Hlídání bezpečnostních nebo signalizačních kontaktů motorů
• Spínání pomocí Digireg® ST+

Ohřívače
dle druhu ohřívače

Elektrický ohřev
• Jednosekční / dvousekční řízení
• Řízení tyčových / drátových výměníků
• Plynulé řízení výkonu pomocí SSR, možnost spínání topení v režimu ON/OFF
• Hlídání stavu havarijních termostatů
• Jištění ohřívače podle výkonové řady
• Bezpečnostní stykač ohřívače
• Výstup 0–10 V a 0–20 mA pro externí ohřívače (pro sekce 1 a 2)

Teplovodní ohřev
• Tříbodové řízení směšovacího uzlu
• Dvoustupňová protimrazová ochrana
• Hlídání teploty vody zpátečky/PMO
• Plynulý náběh vodního výměníku
• Spínání čerpadla topení

Plynový ohřev

Chlazení
dle typu média

Kompresorové
• Nastavitelné provozní parametry kompresoru
• Hlídání minimální doby chodu kompresoru
• Hlídání počtu zapnutí za jednu hodinu
• Povelování spínání kompresoru bezpotenciálovým kontaktem
• Řízení výkonu chlazení a topení
• Řízení výkonu analogově 0–10 V

Chladno-vodní chlazení
• Plynulé řízení pomocí směšovacího uzlu
• Spínání čerpadla chlazení

Tepelné čerpadlo
systém topí/chladí
• Využití pro topení i chlazení
• Řízení výkonu analogově 0–10 V (0 V = 0 % výkonu, 10 V = 100 % výkonu v režimu chlazení i topení)
• Řízení bivalentního elektrického nebo vodního zdroje tepla
• Bivalence od dvou hranic teploty pro elektrický dohřev SSR (Solid State Relay)
• Bivalence od dvou hranic teploty pro analogové výstupy ESU (jedná se o poměr venkovní teploty a žádané hodnoty výstupní teploty s časovou konstantou)

Rekuperace
dle typu výměníku
• Rekuperátor deskový
• Rekuperátor deskový s obtokem
• Rekuperátor rotační
• Řízení 0–10 V nebo on/off
• Bypass je doporučeno řídit analogovým servopohonem, je možno použít i tříbodový servopohon

Volné vychlazování – freecooling
• Automatické spuštění vychlazování podle rozdílu teplot vnitřního a vnějšího prostoru
• Časové programování vychlazování

Zemní kolektor / předehřev
• Ovládání kapalinového nebo vzduchového zemního výměníku nebo předehřívače
• Nastavení doby využití / doby regenerace
• Nastavení hranic teploty pro léto / zimu

Směšovací klapka
• Lze použít ke směšování vzduchu nebo jako další nezávislý proporcionální regulátor
• Absolutní / Relativní nastavení požadované teploty
• Nastavení strmosti regulace
• Nastavení hygienického minima
• Řízení na absolutní teplotu nebo rozdíl teplot, ručně
• Volba zpětnovazebního nebo rozdílového čidla z již nainstalovaných snímačů
• Speciální režim klapky pro cirkulační topení/chlazení
• Možnost řízení polohy klapky od analogového vstupu pro vlhkost a výkon ventilace
• Možnost řízení vlhkosti inverzní funkcí

Funkce Požár
• Nastavení chování jednotky při požáru (nastavení do požadovaného výkonu, vyp//10–100 %). Funkční pouze pokud je VZT v chodu! Deaktivace tohoto režimu vyžaduje speciální resetovací režim.

Funkce Boost (vyvětrání – ext. řízení)
• Nastavení doby zpoždění aktivace
• Nastavení požadovaného výkonu motorů
• Nastavení možného zvýšení teploty
• Nastavení doby doběhu – přepnutí do normálního programového režimu
• Možnost aktivace bazénového větrání

Vlhkost vzduchu

Digitální řízení hygrostatem
• Digitální vstup pro řízení hygrostatem
• Možnost nakonfigurovat vstup jako dálkové blokování bezpotenciálovým kontaktem
• Nastavení výkonu a doby doběhu
• Možnost nakonfigurovat v servisním režimu jako vstup pro blokaci

Analogové řízení čidlem rel. vlhkosti
• Nastavení požadované relativní vlhkosti v procentech
• Možnost nastavení min. otáček ventilátoru
• Analogový vstup pro ovládání výkonu ventilátorů (PI regulace)

Kvalita vzduchu (CO2, SQA)
• Digitální vstup pro řízení snímačem CO2 nebo SQA
• Nastavení výkonu a doby doběhu
Analogové řízení čidlem kvality vzduchu
• Nastavení požadované kvality vzduchu v procentech (CO2)
• Analogový vstup pro ovládání výkonu ventilátorů (PI regulace)

Časování jednotky
• Čtyři možná nastavení předvoleb teploty, funkce a otáček ventilátorů s možností naprogramování v 5 min. intervalech a kombinacích během dne (možnost 16 změn/den – tj. 8 bloků).
• Týdenní programátor
• Kopírování denních programů
• Časové programy jsou uloženy v paměti ovladače Digireg® CP-TFT

Připojení k nadřazenému systému
Není standardní součástí dodávky regulátoru.
• Připojení do dispečerského pracoviště je možné pomocí implementace SW firmou buď přímou komunikací z některého ze dvou RS485 ModBus nebo pomocí Ethernetu
• Komunikační protokol ModBus RTU pro přímé připojení na vyžádání
• Pro Ethernetovou komunikaci nutno doplnit převodník podle typu požadovaného připojení

 Uvádění do provozu
• pro tento výrobek je dostupná odborná pomoc při instalaci a zprovoznění, podrobnosti zde

Doplňující vyobrazení

návrh / konzultace regulační sady
 
otevřená skříň
 
Digireg® IP65
 
Digireg® IP65 – otevřená skříň

varianty zobrazení na displeji ovládacího panelu
 
kompletní technické informace
 
 

Content © ELEKTRODESIGN ventilátory spol. s r.o. a poskytovatelé obsahu (Soler & Palau, VIM, Wernig, Eberle, Belimo CZ, UNIVENT CZ a další)