EHR 150 N Ekonovent EVO-PH SH bytová rekuperační jednotkaRekuperační jednotky
Katalogový list | ![]() | Návod k použití | ![]() | 2D/3D CAD | 60.142 Kč | Toto zboží není možno objednat přes internet, kontaktujte naše obchodní oddělení nebo navštivte naše pobočky. |
| max. průtok [m3/h] | příkon ventilátorů [W] | napětí [V, Hz] | max. proud ventilátorů [A] | max. proud jednotky [A] | okolní teplota [˚C] | hmotnost [kg] |
|---|---|---|---|---|---|---|
| 182 | 2x27 | 230 V, 50/60 Hz | 2x0,27 | 0,6 | 0-45 | 30,5 |
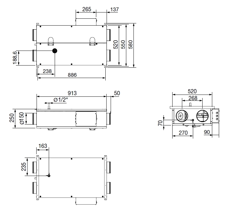
![]() | Skříň Skříň je samonosné konstrukce a je vyrobena z panelů o tloušťce 22 mm s izolací z polyuretanové pěny. Skříň a vnitřní části jsou vyrobeny ze speciálního materiálu ALUZINC®, který je vysoce odolný proti korozi a má atraktivní vzhled. Vstupní a výstupní hrdla o průměru 150 mm pro připojení potrubí. Revizní přístup je opatřen panty a je umístěn na vrchní straně skříně. | |
![]() | Ventilátory Na výtlaku a sání je větrací jednotka vybavena radiálními ventilátory s EC motory a s dozadu zahnutými lopatkami. | |
![]() | Motor Motory jsou jednofázové EC s nízkou spotřebou, 230 V/50 Hz. Krytí IP44, třída izolace B. | |
![]() | Rekuperace Protiproudý hliníkový výměník s účinností až 89%. Výměník je přístupný po otevření revizního víka jednotky. Jednotka je opatřena automatickým obtokem výměníku (bypass). | |
![]() | Filtr V jednotce jsou osazeny dva deskové filtry s tlakovými spínači: F7 (ISO ePM1 70%) na sání čerstvého vzduchu a G4 (ISO ePM10 50%) na sání odpadního vzduchu. | |
![]() | El. připojení Připojovací svorkovnice je montována na boku jednotky. | |
![]() | Regulace Jednotka je dodávána včetně řídícího systému, který je k dispozici v provedeních. • CTR08-PH - 3 úrovně nastavení rychlosti a možnost vypnutí jednotky. Automatické ovládání obtoku výměníku. Volitelně protimrazová ochrana. Indikace zanesení filtrů. • EVO-PH barevný podsvícený dotykový displej umožňující programování jednotky a sledování okamžitého statusu. Týdenní programování. Možnost ovládání pomocí externích senzorů kvality vzduchu. Indikace zanesení filtrů. Chybová hlášení. Volitelně možnost ovládání COP (konstantní tlak) nebo CAV (konstantní průtok). • EVOD-PH-IP stejná charakteristika jako EVO-PH s přidanou možností komunikace pomocí komunikačního protokolu MODBUS s ETHERNETovým připojením. Volitelně je dostupné také připojení přes RS485. Umožňuje ovládání jednotky nadřazeným systémem, v takovém případě je interakce s jednotkou možná pomocí internetového prohlížeče. | |
![]() | Montáž Jednotka je určena k montáži do vnitřních prostor - pod strop, na podlahu nebo na zeď. V případě montáže na zeď musí být výtlak čerstvého vzduchu umístěn na horní straně jednotky. Požadovaná teplota okolí je v rozmezí 0° až 45 °C. Jednotka musí být namontována tak, aby byl zajištěn dostatek prostoru pro otevření víka jednotky, výměnu filtrů, připojení odvodu kondenzátu na odpad se sifonovým pachovým uzávěrem a pro provádění periodických revizí elektroinstalace. | |
![]() | Pokyny Na přání je možno doplnit jednotku o externí (potrubní) vodní nebo elektrický ohřívač či o vodní chladič (zvláštní výbava). Před objednáním je nutné tuto možnost konzultovat. Díky vysoké účinnosti výměníku není většinou nutný dohřev. V oblastech, kde jsou teploty často pod -5 °C, se doporučuje na sání čerstvého vzduchu instalovat teplovodní výměník nebo elektrický předehřev vzduchu o odpovídajícím výkonu. Po základním nastavení montážní firmou nevyžaduje jednotka žádné další nastavování. Nároky na uživatele jsou minimální. Výměna filtru se doporučuje minimálně jednou ročně. Při projekci rekuperačních jednotek a jejich použití v objektech s plynovými spotřebiči kat. B (plynové kotle a ohřívače vody s otevřenou komorou) a nebo se zařízeními s otevřeným topeništěm na pevná či kapalná paliva s odtahem spalin do komína je nutno dbát příslušných odborných norem a zákonných ustanovení. | |
![]() | Informace Jednotka pro větrání bytů v bytových domech. Malá lehká kompaktní jednotka s protiproudým výměníkem s vysokou účinností zpětného získávání tepla (až 89%) a EC ventilátory s nízkou spotřebou. Jednotka je určena pro trvalý provoz. | |
| Hz | 125 | 250 | 500 | 1000 | 2000 | 4000 | 8000 | Lwatot |
|---|---|---|---|---|---|---|---|---|
| do okolí - max. | 50,9 | 62,6 | 59,2 | 48,2 | 41,5 | 34,9 | 38,6 | 58,9 |
| do okolí - ref. | 52,4 | 58,5 | 52,1 | 41,2 | 35,9 | 32,3 | 40,3 | 53,2 |
| do potrubí - max. | 59,2 | 65,5 | 685 | 56,5 | 53,5 | 54,4 | 58,3 | 67,4 |
| do potrubí - ref. | 54,0 | 65,5 | 61,5 | 47,9 | 43,7 | 43,4 | 44,0 | 61,1 |
návrh a konzultace | minimální volný prostor okolo jednotky | funkce jednotlivých hrdel | EVO-PH programovatelná regulace | |||
energetický štítek |

















