EnglishSlovenskyČesky

PROL 160/100 přechod osový krátkýPříslušenství, potrubní elementy

  Katalogový list  Návod k použití2D/3D CAD220 Kč
Kusů  
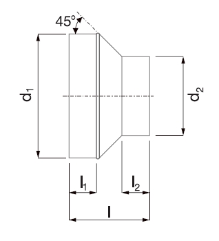
Vyobrazení a rozměry:
  
d1d2ll1l2
1601001305545
Technické parametry
Hmotnost
[g]
230
 Informace
• tvarovka je vyrobena lisováním
• bezešvé provedení
• spojení s potrubím samořeznými šrouby

 

Content © ELEKTRODESIGN ventilátory spol. s r.o. a poskytovatelé obsahu (Soler & Palau, VIM, Wernig, Eberle, Belimo CZ, UNIVENT CZ a další)