CHMT/4-315/130-3 LG IP55 centrifugal fanRadiální ventilátory
Catalog sheet | ![]() | Service instructions | ![]() | 2D/3D CAD | 5 571.56 EUR | Toto zboží není možno objednat přes internet, kontaktujte naše obchodní oddělení nebo navštivte naše pobočky. |
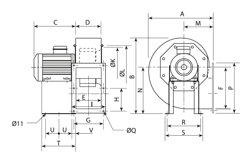
Look and dimensions:
| A | B | Cmax | D | E | F | G | H | I | K | L/M | N/P | Q/R | S/T | U/V |
|---|---|---|---|---|---|---|---|---|---|---|---|---|---|---|
| 525 | 630 | 340 | 203 | 200 | 320 | 240 | 180 | 263 | 325 | 354/238 | 390/383 | 11/322 | 352/230 | 140/20 |
Technical parameters
| otáčky [min-1] | průtok (0 Pa) [m3/h] | příkon [kW] | proud [A] | napětí [V] | akust. tlak* [dB(A)] | hmotnost [kg] |
|---|---|---|---|---|---|---|
| 1400 | 6400 | 3,0 | 13,0/7,5 | 230/400 | 75 | 75 |
* udané hodnoty akustického tlaku v dB(A) měřeny na výtlaku ventilátoru při maximálním průtoku (Qmax)
![]() | Skříň Skříň je vyrobena ze silného plechu, povrchově ošetřeného speciálním nátěrem odolným proti vysokým teplotám. Vrchní nátěr má šedou barvu. Ventilátory jsou navrženy a schváleny pro odtah vzduchu o teplotě 400 °C po dobu minimálně 2 hodin. Jsou schváleny dle norem EN 12101-3. | |
![]() | Oběžné kolo Oběžné kolo s dopředu zahnutými lopatkami je vyrobeno z galvanicky pokoveného ocelového plechu. Oběžné kolo je dynamicky vyváženo dle ISO 1940. | |
![]() | Motor Motory jsou určeny pro třífázové napětí. Izolace třídy H a krytí IP55. K ochraně motorů je nutno použít nadproudovou ochranu nastavenou na hodnotu proudu uvedenou na štítku motoru. Velikosti motorů do výkonu 3 kW včetně jsou určeny pro el. rozvod 230/400 V, motory s vyšším příkonem pak pro napětí 400 V/50 Hz. Na přání lze dodat dvouotáčkové motory. | |
![]() | Svorkovnice Svorkovnice je umístěna na motoru. | |
![]() | Regulace otáček Na přání lze dodat dvouotáčkové motory. Informujte se na možnost a podmínky použití frekvenčních měničů VFVN. | |
![]() | Hluk Hluk emitovaný ventilátorem je uveden v tabulkách. Akustický tlak je měřen ve volném prostoru ve vzdálenosti 1,5 m na výtlačné straně při maximálním průtoku. | |
![]() | Montáž Skříň nesmí přenášet mechanické namáhání z potrubních rozvodů. Je nutné použít pružné připojení k potrubí. Před montáží je důležité zkontrolovat, zda elektrické parametry výrobku uvedené na štítku (napětí, příkon, frekvence, atd.) odpovídají hodnotám místní sítě. | |
![]() | Pokyny Ventilátory jsou vhodné pro běžnou vzduchotechniku i OEM aplikace, kde je požadován odtah horkého vzduchu bez obsahu nebezpečných látek. Ventilátory CHMT lze použít samostatně nebo je začlenit do dalších skupin strojních zařízení určených k odvodu nebo přívodu vzduchu, včetně nuceného větrání v průmyslu a chlazení motorů vzduchem. Použití ventilátorů pro požární větrání je možné pouze po předchozím projednání. | |
Akustický výkon LwA v oktávových pásmech v [dB(A)]
| 63 | 125 | 250 | 500 | 1000 | 2000 | 4000 | 8000 | LwAtot | akust. tlak (1,5 m) |
|---|---|---|---|---|---|---|---|---|---|
| 59 | 72 | 78 | 79 | 84 | 85 | 81 | 78 | 90 | 75 |















