CHVT/4-6000/400 IP55 silent centrifugal kitchen fanZvukově izolované ventilátory
Catalog sheet | ![]() | Service instructions | ![]() | 2D/3D CAD | 3 364.77 EUR | Toto zboží není možno objednat přes internet, kontaktujte naše obchodní oddělení nebo navštivte naše pobočky. |
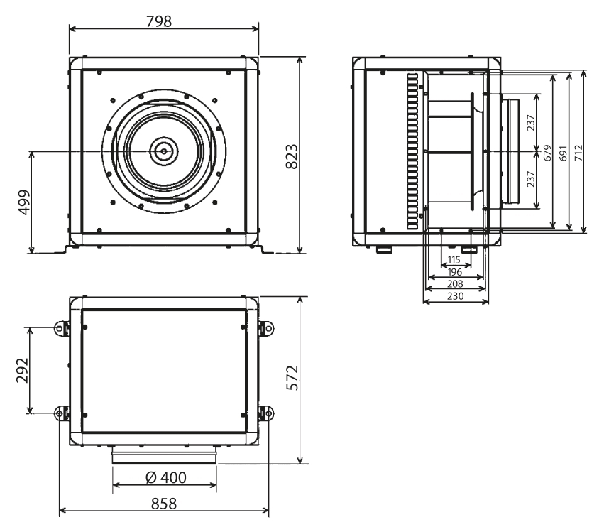
Technical parameters
| otáčky [min-1] | průtok [m3/h] | výkon [W] | proud [A] | napětí [V] | max. teplota [°C] | akust. tlak [dB(A)] | hmotnost [kg] | regulátor |
|---|---|---|---|---|---|---|---|---|
| 1295 | 6560 | 912 | 1,95 | 400 | 120 | 70 | 90 | RDV 2,5 |
* akustický tlak ve vzdálenosti 1,5 m na straně sání ve 2/3 max. vzduchového výkonu
![]() | Skříň Skříň je z ocelového, galvanicky pozinkovaného plechu, sendvičového provedení. Skříň je uvnitř opatřena 17 mm vrstvou zvukově izolujícího materiálu. Ventilátor je uložen ve skříni na odpružených profilech, aby se omezil přenos vibrací. Na skříni je osazeno kruhové sací hrdlo pro připojení flexibilních hadic nebo kruhového potrubí. Na výtlaku je čtyřhranný otvor, kam lze připojit redukci na kruhové potrubí, která se dodává samostatně. Panely jsou zaměnitelné, takže výtlak může směřovat do stran nebo nahoru. Skříň obsahuje vanu pro odvod tukového kondenzátu, odvodní hrdlo kondenzátu je nutno namontovat v souladu s polohou ventilátoru a zároveň je nutno zvolit vhodný sklon ventilátoru směrem k hrdlu. | |
![]() | Oběžné kolo Oběžné kolo je radiální s dozadu zahnutými lopatkami. Oběžné kolo je staticky a dynamicky vyváženo, je volně běžící a bez spirální skříně. | |
![]() | Motor Motor je asynchronní s odporovou kotvou. Motory jsou sériově vybaveny termopojistkou, vinutí je v úpravě s ochranou proti vlhkosti s izolací třídy F a pracovní teplotou až 120 ˚C. Uzavřená a bezúdržbová kuličková ložiska mají tukovou náplň na dobu životnosti. Krytí IP55. | |
![]() | Svorkovnice Svorkovnice je standardně z černého plastu, je volně na přívodním kabelu od motoru a je ji možno samořeznými šrouby přišroubovat na dobře přístupné místo na skříni. Délka kabelu 0,8 m, krytí IP55. | |
![]() | Hluk Hodnoty akustického výkonu v jednotlivých oktávových pásmech viz tabulky. | |
![]() | Montáž Montáž se provádí s ohledem na konstrukci, provoz ventilátoru a revizní činnost výlučně s osou motoru vodorovně a vanou kondenzátu vespod. | |
![]() | Pokyny Ventilátory jsou vhodné pro vzduchotechnické aplikace, kde se s výhodou uplatní nízká hlučnost ventilátoru. Ventilátory jsou zejména vhodné pro velkokapacitní kuchyně, k odvětrání restaurací, sportovních hal, nemocnic, skladů a bazénů. | |
Akustický výkon LwA v oktávových pásmech v [dB(A)]
| Hz | 63 | 125 | 250 | 500 | 1000 | 2000 | 4000 | 8000 | Total |
|---|---|---|---|---|---|---|---|---|---|
| sání - B | 51 | 70 | 70 | 73 | 83 | 78 | 71 | 74 | 85 |
| sání - M | 50 | 64 | 68 | 73 | 75 | 71 | 69 | 65 | 79 |
| sání - A | 55 | 68 | 71 | 75 | 79 | 75 | 71 | 64 | 82 |
| výtlak - B | 53 | 73 | 73 | 75 | 84 | 82 | 73 | 75 | 87 |
| výtlak - M | 49 | 68 | 68 | 70 | 72 | 69 | 70 | 66 | 78 |
| výtlak - A | 58 | 70 | 72 | 72 | 72 | 70 | 70 | 63 | 79 |
| do okolí - B | 47 | 59 | 58 | 60 | 64 | 58 | 53 | 55 | 68 |
| do okolí - M | 46 | 53 | 56 | 60 | 56 | 51 | 51 | 46 | 64 |
| do okolí - A | 51 | 57 | 59 | 62 | 60 | 55 | 53 | 45 | 67 |
Acessories
CHV 6000/400 circular coupling flange
CSC 6000 weathercap for CHVB/CHVT 6000
DTS PSA 30/300 air pressure sensors 30-300 Pa
KAA 400 antivibration coupling
MAA 400/900 sound attenuator
MFLT 400 filter cassette
MSD 3 phase motor circuit
MSK 400 damper
PER 400 plastic back draft louvre shutter
RDV 2,5 A speed regulator
RTR 6721 area thermostat
SQA air quality sensor
VBM 400 flexible flange connector














