CKB 800 N IP44 small centrifugal fanMalé radiální ventilátory
Catalog sheet | ![]() | Service instructions | ![]() | 2D/3D CAD | 523.69 EUR | Toto zboží není možno objednat přes internet, kontaktujte naše obchodní oddělení nebo navštivte naše pobočky. |
Technical parameters
| otáčky [min-1] | průtok (0 Pa) [m3/h] | výkon [W] | napětí [V] | proud [A] | max. teplota [°C] | akust. tlak [dB(A)] | hmotnost [kg] | regulátor |
|---|---|---|---|---|---|---|---|---|
| 2680 | 940 | 147 | 230 | 0,6 | 70 | 60 | 8 | REB 2,5; REV 1,5 |
* akustický tlak ve vzdálenosti 1,5 m ve volném akustickém poli
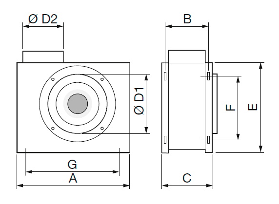
![]() | Skříň Skříň je vyrobena z ocelového plechu, povrchová úprava je epoxidovým lakem. Ve výtlačném hrdle je zpětná klapka. K ventilátoru lze dodat rozváděcí komory z pozinku PLENUM, které jsou hlukově izolované a umožňují připojení až 7 potrubí nebo ohebných vzduchovodů Sonoflex® na straně sání ventilátoru. Nepoužitá sací hrdla je nutno zaslepit koncovým krytem DFL. | |
![]() | Oběžné kolo Oběžné kolo je radiální s dopředu zahnutými lopatkami, vyrobené je z plastu (CKB 800 N) nebo z ocelového pozinkovaného plechu (CKB 1500 N). Oběžné kolo je dynamicky a staticky vyvážené. | |
![]() | Motor Motor je asynchronní, s kotvou nakrátko, s rozběhovým kondenzátorem a s tepelnou ochranou. Maximální provozní teplota je 70 ˚C, třída izolace F, krytí IP44. | |
![]() | El. připojení Z ventilátoru je vyveden 3-žilový kabel, svorkovnice není v dodávce. | |
![]() | Regulace otáček Regulace otáček se provádí elektronickými nebo transformátorovými regulátory změnou napětí. | |
![]() | Montáž Montáž horizontálně i vertikálně, s ohledem na životnost ložisek přednostně s osou motoru v horizontální poloze. Ventilátor může být dodán se sací skříní PLENUM, kterou je nutno při montáži na ventilátor přitlačit tak, aby se ventilátorová skříň zamáčkla do pěnového těsnění v drážce sací skříně. PLENUM se na ventilátor CKB-N připevňuje pomocí samořezných šroubů, spára mezi ventilátorem a skříní se vyplní neutrálním silikonovým nebo akrylátovým těsnícím tmelem. Ventilátory CKB-N se montují přes odpružené úhelníky ISA na stěnu nebo přes izolátory chvění KSE na pevnou podložku. | |
![]() | Pokyny Ventilátory jsou určeny jako centrální odvětrání pro rodinné domky, sociální zařízení, kanceláře a menší provozovny. Výhodně lze při instalaci do podhledu použít flexohadice a talířové ventily. Ventilátory lze použít ve spojení s čidlem SQA pro odvětrání společenských místností. | |
Additional pictures
zpětná klapka ve výtlačném hrdle | příklad použití ventilátoru | příklad použití ventilátoru |














