CMT/4-225/90-0,55 IP55 centrifugal fanRadiální ventilátory
Catalog sheet | ![]() | Service instructions | ![]() | 2D/3D CAD | 1 481.28 EUR | Toto zboží není možno objednat přes internet, kontaktujte naše obchodní oddělení nebo navštivte naše pobočky. |
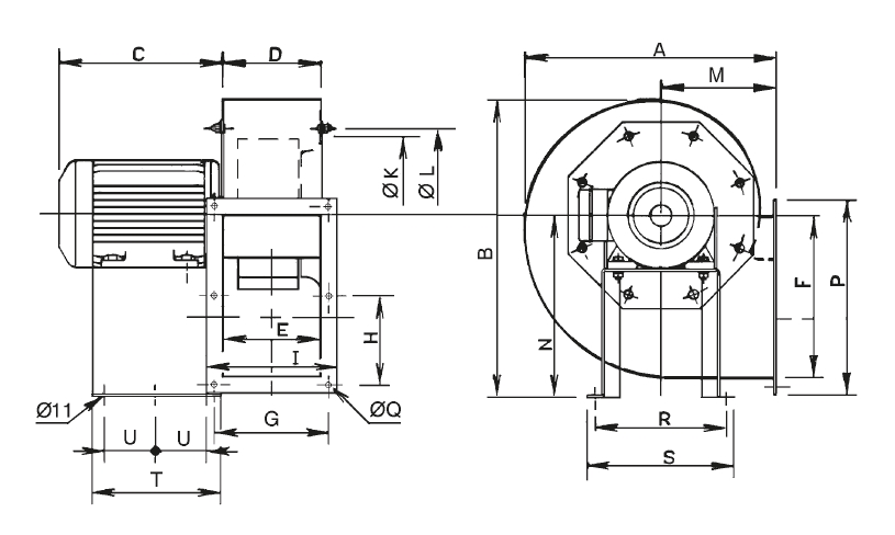
Look and dimensions:
| A | B | C | D | E | F | G | H | I | K | L | M/N | P/Q | R/S | T/U |
|---|---|---|---|---|---|---|---|---|---|---|---|---|---|---|
| 386 | 452 | 235 | 144 | 140 | 216 | 180 | 128 | 203 | 234 | 256 | 181/280 | 279/10 | 220/250 | 200/50 |
Technical parameters
| otáčky [min-1] | průtok (0 Pa) [m3/h] | příkon [kW] | proud [A] | napětí [V] | max. teplota [°C] | akust. tlak [dB(A)] | hmotnost [kg] | regulace |
|---|---|---|---|---|---|---|---|---|
| 1360 | 2600 | 0,55 | 2,20/1,27 | 230/400 | 150 | 71 | 22,0 | VFTM TRI 0,55 |
![]() | Skříň Skříň je vyrobena z elektricky svařovaného plechu a je opatřena odolným epoxy-polyesterovým nátěrem šedé barvy. Spirální skříň je standardně dodávána v poloze LG 270, poloha může být na montáži změněna. Ventilátory jsou konstruovány k trvalé dopravě teplého vzduchu do teploty +150 °C, bez obsahu nebezpečných látek. | |
![]() | Oběžné kolo Oběžné kolo s dopředu zahnutými lopatkami je vyrobeno z galvanicky pokoveného ocelového plechu. Oběžné kolo je dynamicky vyváženo dle ISO 1940. | |
![]() | Motor Motor je asynchronní indukční, uložený mimo proud vzdušiny, je vyroben podle normy IEC 34-1. Izolace motoru je F, krytí IP55. Motor má kuličková ložiska s tukovou náplní na celou dobu životnosti. Na přání lze dodat dvouotáčkové motory nebo nevýbušné provedení. | |
![]() | Svorkovnice Svorkovnice je umístěna na motoru. | |
![]() | Regulace otáček Regulace otáček u jednofázových typů není možná, u třífázových pomocí frekvenčních měničů. | |
![]() | Hluk Hluk emitovaný ventilátorem je uveden v tabulkách. Akustický tlak je měřen ve volném prostoru ve vzdálenosti 1,5 m na výtlačné straně při maximálním průtoku. | |
![]() | Montáž Poloha výtlaku může být na montáži změněna. Skříň nesmí přenášet mechanické namáhání z potrubních rozvodů. Je nutné použít pružné připojení k potrubí. Před montáží je důležité zkontrolovat, zda elektrické parametry výrobku uvedené na štítku (napětí, příkon, frekvence, atd.) odpovídají hodnotám místní sítě. | |
![]() | Pokyny Ventilátory jsou vhodné pro běžnou vzduchotechniku i OEM aplikace, kde je požadován odtah horkého vzduchu bez obsahu nebezpečných látek. Ventilátory CMB/CMT lze použít samostatně nebo je začlenit do dalších skupin strojních zařízení určených k odvodu nebo přívodu vzduchu, včetně nuceného větrání v průmyslu a chlazení motorů vzduchem. | |
Hladiny akustického výkonu v oktávových pásmech
| 63 | 125 | 250 | 500 | 1000 | 2000 | 4000 | 8000 | LwAtot | Akust. tlak (1,5 m) |
|---|---|---|---|---|---|---|---|---|---|
| 55 | 67 | 74 | 75 | 80 | 81 | 77 | 73 | 85 | 71 |
Additional pictures
příslušenství | návrh ventilátoru softwarem EASYVENT | návrh a konzultace | montážní varianty |















