CRVT/6-400 N IP54 roof mounted fanStřešní ventilátory
Catalog sheet | ![]() | Service instructions | ![]() | 2D/3D CAD | 1 553.84 EUR | Toto zboží není možno objednat přes internet, kontaktujte naše obchodní oddělení nebo navštivte naše pobočky. |
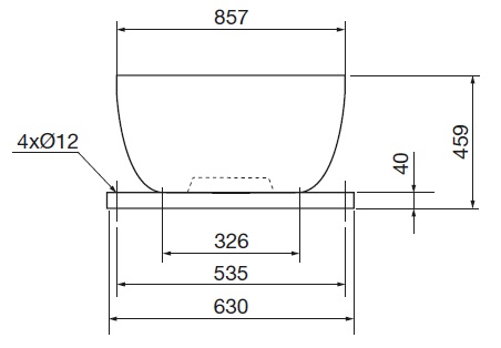
Technical parameters
| otáčky [min-1] | průtok (0 Pa) [m3/h] | příkon [W] | napětí [V] | proud [A] | max. teplota [°C] | akust. tlak* [dB(A)] | hmotnost [kg] | velikost příslušenství | regulátor |
|---|---|---|---|---|---|---|---|---|---|
| 920 | 2830 | 153 | 230/400 | 0,5/0,3 | 70 | 44/49 | 27,5 | 630 | VFVN-020-3L-1 |
* akustický tlak je měřen ve vzdálenosti 3 m v bodě 2 výkonové křivky (sání/výtlak)
![]() | Skříň Skříň je konstruována pro horizontální (CRH) nebo vertikální (CRV) výfuk vzdušiny. Podstavec ventilátoru je z ocelového pozinkovaného plechu, galvanicky pokovené jsou i držáky, mřížka a šrouby. Stříška a skříň ventilátoru jsou z Al plechu. Motor ventilátoru je uložen v proudu vzdušiny. Ventilátor je chráněn mřížkou proti vniknutí cizích těles. | |
![]() | Oběžné kolo Oběžné kolo ventilátoru je radiální s dozadu zahnutými lopatkami. Vyrobené je z plastu, je staticky a dynamicky vyváženo. | |
![]() | Motor Motor je asynchronní s odporovou kotvou nakrátko, s vnějším rotorem. Motory jsou sériově vybaveny termopojistkou. Vinutí je v tropikalizační úpravě s izolací třídy F. Ložiska mají tukovou náplň na dobu životnosti. Krytí IP54. | |
![]() | Směr otáčení Směr otáčení je možný pouze jedním směrem, ve smyslu šipky na skříni ventilátoru. Při opačném směru otáčení může dojít k přetížení motoru, ventilátor se projevuje zároveň zvýšeným hlukem. | |
![]() | Svorkovnice Svorkovnice s revizním vypínačem je umístěna na podstavci (CRH) nebo skříni (CRV) ventilátoru. U jednofázových ventilátorů svorkovnice obsahuje také rozběhový kondenzátor. Krytí je IP55. | |
![]() | Regulace otáček Regulace otáček se provádí elektronickými nebo transformátorovými regulátory změnou napětí, třífázové typy také frekvenčními měniči. | |
![]() | Hluk Hluk emitovaný ventilátorem je uveden v tabulkách. | |
![]() | Montáž Ventilátor se montuje zásadně horizontálně pomocí příslušenství (s osou motoru svisle). | |
![]() | Pokyny Ventilátory jsou vhodné pro obecné vzduchotechnické aplikace. | |
Acessories
DOS 535 Metal G roof stand with inner insulation
JAA 630 sound attenuator
JAE 630 flexible coupling
JBR 630 loose mounting flanges
JBS 630 20° stand for sloping roofs
JBS 630 30° stand for sloping roofs
JBS 630 40° stand for sloping roofs
JCA 630 backdraft shutter
JCM 630 backdraft shutter for actuators
JKR 630 tilting frame
JMS 630 roof mounting frame
JPA 630 adapter
MSD 3 phase motor circuit
VFVN 020-3L-1 frequence controller
Whole assortment 
- Products
- Fans
- Small axial extract fans
- Small centrifugal extract fans
- Circular in-line duct fans
- Rectangular duct fans
- Axial fans
- Roof mounted fans
- Smoke extract fans
- Explosionproof fans
- Anti-corrosive fans
- Fans BA INOX
- Fans PCM
- Fans P
- Fans PR
- Plastic accessories for acidproof fans
- Flexible connectors PV PP
- Inner connection pieces NI PP
- Backdraft shutters KZ PP
- Branch T pipes OBJ PP
- Cross branch pipes OBS PP
- Dampers KKR PP, KKS PP
- Sound attenuator THK PP
- Exhaust extensions VN PP
- Protective grilles MK PP
- Deflector hoods HV PP
- Roof cowls SK PP
- End coverings DV PP
- Free flanges VP PP
- Transformation pieces PRO PP
- Flexible connectors - adapters NAPV PP
- Pipes TR PP
- Bends OL PP
- Fans TMPB/TMPT
- Fans CMPB/CMPT
- Fans PC
- Fans TCV
- Special applications fans
- Industrial fans
- Fans with EC motors
- KABB / KABT Ecowatt economical fans
- CVAB-N/CVAT-N Ekonovent economical fans
- IRB Ecowatt economical centrifugal fans
- EDAV Ekonovent fans
- ECOAIR Ecowatt economical centrifugal fans
- CVAB-N Ecowatt economical fans
- CTB Ecowatt fans
- CRHB/CRVB N Ecowatt fans
- TD Ecowatt economical fans
- RM Ecowatt economical fans
- TD SILENT Ecowatt silent economical fans
- CAB Ecowatt economical fans
- OZEO Ecowatt economical centrifugal fans
- HXBR/TXBR Ecowatt fans
- TD SILENT Ecowatt CAV fans
- CRHB/CRVB N Ecowatt Plus intelligent DCV fans
- CTB Ecowatt Plus intelligent DCV fans
- TH Ecowatt fans
- CAB Ecowatt Plus economical fans
- JETLINE Ecowatt economical fans
- TPSB Ecowatt roof fans
- TD-EVO Ecowatt economical fans
- Air handline units
- Heat recovery units and heat exchangers
- Small recuperation units
- AR Flex systém
- SABIK recuperation units
- EHR 300 Akor heat recovery unit
- ORKA heat recovery units
- EHR 280/325 Akor recuperation units
- IDEO 450/575 Ecowatt recuperation units
- EHR 150 N Ekonovent® recuperation units
- EHR 300/480 N Ekonovent® recuperation units
- Náhradné filtre
- IDEO 325 Ecowatt recuperation units
- DOMEO heat recovery units
- ROVENTO recuperation units
- PLUGGIT heat recovery system
- Flexeo heat recovery units
- NEMBUS heat recovery units
- Ground-coupled heat exchangers
- Recuperation heat exchangers
- Industrial recuperation units
- Single room heat recovery units
- Small recuperation units
- Air curtains
- Special equipment
- Cooker hoods
- Accessories – duct elements
- Electrical exhaust valves
- Condensation traps
- Filter cassettes and filter beds
- Protection guards
- Elbows
- Extenders
- Dumpers, shutters, valves
- Inlet rings
- Mixing chambers
- Mixing / distributing valves
- Couplings MBR
- Flexible flange connectors
- Weathercaps
- Seals
- Vibration attenuators
- Telescopic extenders
- Heater batteries
- Transformation pieces, adapters
- Sound attenuators
- Sound attenuators MAA-Q for circular ducts
- Sound attenuators KMTI for CMB/CMT fans
- Sound attenuators MAA for circular ducts
- Sound attenuators MTS for circular ducts
- Sound attenuators MSD/SGD
- Sound attenuators TAA/TAAC for axial fans
- Sound attenuators IAA for rectangular ducts
- Desk sound attenuator CAA
- Sound attenuators GDH for roof mounted fans
- Sound attenuators JAA for roof mounted fans
- Sound attenuators MAA-CTB for CTB fans
- Sound attenuators SONOULTRA
- Sound attenuators SCZ for axial fans
- Flexible connectors
- External weather louvres
- Coolers
- Assembly consoles and frames
- Roof stands
- Protimrazové ochrany
- Protection grilles
- Flanges
- Condensate drains
- Inspection element
- Accessories - diffusers and grilles
- Air Diffuser
- Swirl diffusers with fixed blades DFR-U
- Circular difusers DRE-CF
- Circular diffusers DRE-C
- Diffusers with thermic regulation DRE-G-TR
- Circular diffusers DRE-E
- Swirl diffusers with fixed blades DFR-E
- Swirl diffusers DFR-B
- Swirl diffusers DRE-G
- Conical air diffusers KHD
- Diffusers with thermic regulation DF-TR
- Swirl diffusers DFR-A
- Swirl diffusers with adjustable nozzles DFR-N
- Swirl diffusers DFR-C
- Universal plastic diffusers WDZA
- Plenum boxes
- Nozzles
- Measuring Ring
- Grilles
- Connection Box
- Diffusers
- Air valves
- Flow regulators
- Air Terminal Element
- Accessories for diffusers and grilles
- Air Diffuser
- Accessories - flexible hoses, shaped pieces
- Speed controllers and switches
- Thermostats, sensors and accessories
- Heat battery controllers
- Control systems
- Accessories - ED Flex System®, ED Plano System®
- Fire dampers
- Fans
- Contacts
- Service
LOG IN
Register now
The registration helps you to easily buy products

Cheap vents
Alternative products for lowend applications and electricians at https://www.univent.cz/
Shop hours
Monday–Thursday: 7.30 a.m.–4.00 p.m.
Friday: 7.30 a.m.–2.00 p.m














