CRVT/6-560 N IP54 roof mounted fanStřešní ventilátory
Catalog sheet | ![]() | Service instructions | ![]() | 2D/3D CAD | 2 865.63 EUR | Toto zboží není možno objednat přes internet, kontaktujte naše obchodní oddělení nebo navštivte naše pobočky. |
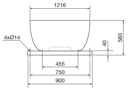
Technical parameters
| otáčky [min-1] | průtok (0 Pa) [m3/h] | příkon [W] | napětí [V] | proud [A] | max. teplota [°C] | akust. tlak* [dB(A)] | hmotnost [kg] | velikost příslušenství | regulátor |
|---|---|---|---|---|---|---|---|---|---|
| 930 | 9010 | 882 | 230/400 | 3,5/2,0 | 70 | 57/60 | 63,5 | 905 | VFVN-020-3L-4 |
* akustický tlak je měřen ve vzdálenosti 3 m v bodě 2 výkonové křivky (sání/výtlak)
![]() | Skříň Skříň je konstruována pro horizontální (CRH) nebo vertikální (CRV) výfuk vzdušiny. Podstavec ventilátoru je z ocelového pozinkovaného plechu, galvanicky pokovené jsou i držáky, mřížka a šrouby. Stříška a skříň ventilátoru jsou z Al plechu. Motor ventilátoru je uložen v proudu vzdušiny. Ventilátor je chráněn mřížkou proti vniknutí cizích těles. | |
![]() | Oběžné kolo Oběžné kolo ventilátoru je radiální s dozadu zahnutými lopatkami. Vyrobené je z plastu, je staticky a dynamicky vyváženo. | |
![]() | Motor Motor je asynchronní s odporovou kotvou nakrátko, s vnějším rotorem. Motory jsou sériově vybaveny termopojistkou. Vinutí je v tropikalizační úpravě s izolací třídy F. Ložiska mají tukovou náplň na dobu životnosti. Krytí IP54. | |
![]() | Směr otáčení Směr otáčení je možný pouze jedním směrem, ve smyslu šipky na skříni ventilátoru. Při opačném směru otáčení může dojít k přetížení motoru, ventilátor se projevuje zároveň zvýšeným hlukem. | |
![]() | Svorkovnice Svorkovnice s revizním vypínačem je umístěna na podstavci (CRH) nebo skříni (CRV) ventilátoru. U jednofázových ventilátorů svorkovnice obsahuje také rozběhový kondenzátor. Krytí je IP55. | |
![]() | Regulace otáček Regulace otáček se provádí elektronickými nebo transformátorovými regulátory změnou napětí (kromě CRHT/4-560 a CRVT/4-560), třífázové typy také frekvenčními měniči. | |
![]() | Hluk Hluk emitovaný ventilátorem je uveden v tabulkách. | |
![]() | Montáž Ventilátor se montuje zásadně horizontálně pomocí příslušenství (s osou motoru svisle). | |
![]() | Pokyny Ventilátory jsou vhodné pro obecné vzduchotechnické aplikace. | |
Acessories
DOS 750 Metal G roof stand with inner insulation
JAA 905 sound attenuator
JAE 905 flexible coupling
JBR 905 loose mounting flanges
JBS 905 20° stand for sloping roofs
JBS 905 30° stand for sloping roofs
JBS 905 40° stand for sloping roofs
JCA 905 backdraft shutter
JCM 905 backdraft shutter for actuators
JMS 905 roof mounting frame
JPA 905 adapter
MSD 3 phase motor circuit
VFVN 020-3L-4 frequence controller
















