CTVB/4-400 N IP55 roof mounted fanStřešní ventilátory IP55
Catalog sheet | ![]() | Service instructions | ![]() | 2D/3D CAD | 2 459.95 EUR | Toto zboží není možno objednat přes internet, kontaktujte naše obchodní oddělení nebo navštivte naše pobočky. |
Technical parameters
| otáčky [min-1] | příkon [W] | proud [A] | průtok (0 Pa) [m3/h] | napětí [V] | teplota [°C] | akust. tlak - sání [dB(A)] | akust. tlak - výtlak [dB(A)] | hmot. [kg] | velikost přísl. | regulátor |
|---|---|---|---|---|---|---|---|---|---|---|
| 1420 | 1170 | 5,1 | 6700 | 230 | 120 | 65 | 69 | 53 | 630 | REB 10; REV 7 |
![]() | Skříň Skříň je konstruována u typu CTH pro horizontální výfuk vzdušiny, u CTV pro vertikální. Podstavec ventilátoru je z ocelového pozinkovaného plechu, galvanicky pokovené jsou i držáky, mřížka a šrouby. Stříška a skříň ventilátoru je z Al plechu. Motor ventilátoru je uložen mimo proud vzdušiny. Ventilační okruh motoru je oddělený, používá vlastní radiální oběžné kolo. Po obvodu stříšky je u ventilátoru CTH ventilační spára, u typu CTV je ventilace motoru vyvedena ze strany skříně. | |
![]() | Oběžné kolo Oběžné kolo ventilátoru je radiální s dozadu zahnutými lopatkami. Vyrobené je z ocelového pozinkovaného plechu, je staticky a dynamicky vyváženo. | |
![]() | Motor Motor je asynchronní s odporovou kotvou nakrátko, stator s chladícími žebry, povrchová úprava černým epoxidovým lakem. Motory jsou sériově vybaveny termopojistkou. Vinutí je v tropikalizační úpravě s izolací třídy F a trvalou pracovní teplotou -40 až +120 °C. Kuličková ložiska mají tukovou náplň na dobu životnosti. Krytí IP55. | |
![]() | Směr otáčení Směr otáčení je možný pouze jedním směrem, ve smyslu šipky na skříni ventilátoru. Při opačném směru otáčení může dojít k přetížení motoru, ventilátor se projevuje zároveň zvýšeným hlukem. | |
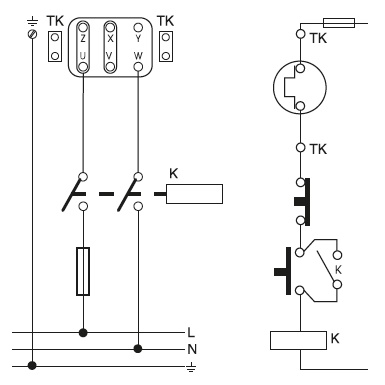
![]() | Svorkovnice Svorkovnice je přístupná po sejmutí stříšky ventilátoru, u jednofázových ventilátorů obsahuje také rozběhový kondenzátor. Krytí je IP55. | |
![]() | Regulace otáček Regulace otáček se provádí elektronickými nebo transformátorovými regulátory změnou napětí nebo frekvenčními měniči. | |
![]() | Hluk Hluk emitovaný ventilátorem je uveden v tabulkách. Hodnoty LpA na výkonových charakteristikách jsou měřeny ve volném poli na straně sání ve vzdálenosti 1,5 m. | |
![]() | Montáž Ventilátor se montuje zásadně horizontálně pomocí příslušenství (s osou motoru svisle). | |
![]() | Pokyny Ventilátory jsou vhodné pro obecné vzduchotechnické aplikace. | |
















