CVB-180/180-N-72W Centribox IP44 silent centrifugal fanZvukově izolované radiální potrubní ventilátory
Catalog sheet | ![]() | Service instructions | ![]() | 2D/3D CAD | 949.22 EUR | Toto zboží není možno objednat přes internet, kontaktujte naše obchodní oddělení nebo navštivte naše pobočky. |
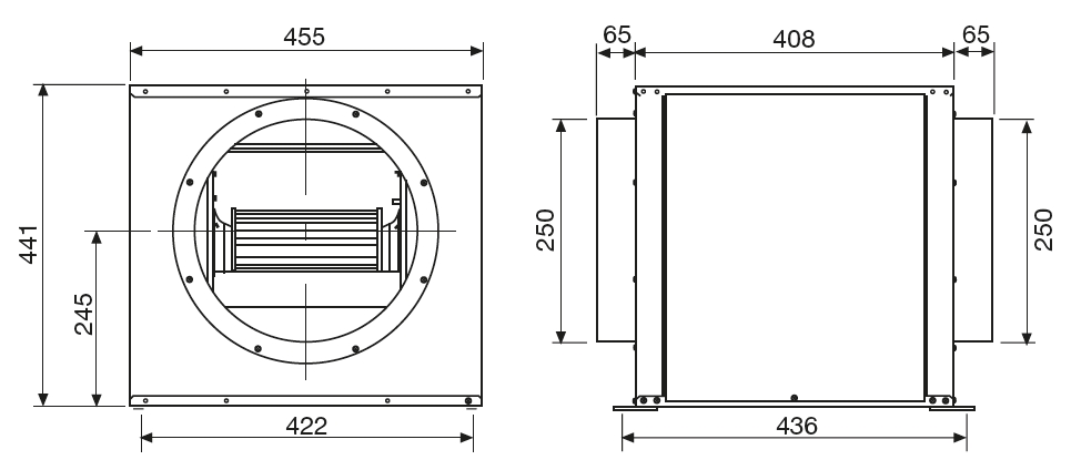
Technical parameters
| otáčky [min-1] | max. průtok [m3/h] | výkon [W] | napětí [V] | proud [A] | max. teplota [°C] | Ø potrubí [mm] | akustický tlak* [dB(A)] | hmotnost [kg] | regulátor |
|---|---|---|---|---|---|---|---|---|---|
| 900 | 1280 | 72 | 230 | 0,6 | 40 | 250 | 45 | 22 | REB 1 |
* akustický tlak ve vzdálenosti 1,5 m na straně sání ve 2/3 max. vzduchového výkonu
![]() | Skříň Skříň je z ocelového, galvanicky pozinkovaného plechu. Skříň je uvnitř opatřena 7 mm vrstvou zvukově izolujícího materiálu. Ventilátor je uložen ve skříni na odpružených profilech, aby se omezil přenos vibrací. Na skříni jsou přišroubována kruhová hrdla pro připojení flexibilních hadic nebo kruhového potrubí. Při provozu ventilátoru je skříň v podtlaku. | |
![]() | Ventilátory Ventilátor je radiální s dopředu zahnutými lopatkami, oboustranně sací. | |
![]() | Motor Motor je asynchronní s kotvou nakrátko, uložený v proudu vzdušniny. Motor má kuličková ložiska a vestavěnou termopojistku proti přehřátí. Izolace třídy F, krytí IP44. | |
![]() | Svorkovnice Svorkovnice je standardně z černého plastu, je volně na přívodním kabelu od motoru a je ji možno samořeznými šrouby přišroubovat na dobře přístupné místo na skříni. Délka kabelu cca 0,5 m, krytí IP55. | |
![]() | Hluk Hluk emitovaný ventilátorem je uveden v tabulkách. | |
![]() | Montáž Montáž je možná i ve venkovním prostředí s použitím stříšky CSC, s ohledem na životnost ložisek přednostně s osou motoru vodorovně. V okolí ventilátoru je nutno ponechat volný prostor pro sejmutí bočních panelů a revizní činnost. Skříň nesmí přenášet mechanické namáhání z potrubních rozvodů. Je nutné použít pružné připojení k potrubí. | |
![]() | Pokyny Ventilátory jsou vhodné pro vzduchotechnické aplikace, kde se s výhodou uplatní nízká hlučnost ventilátoru. Ventilátory jsou zejména vhodné pro odvětrání restaurací, sportovních hal, nemocnic a skladů. | |
Akustický výkon LwA v oktávových pásmech v [dB(A)]
| Hz | 63 | 125 | 250 | 500 | 1000 | 2000 | 4000 | 8000 |
|---|---|---|---|---|---|---|---|---|
| sání | 41 | 48 | 54 | 61 | 67 | 65 | 61 | 55 |
| výtlak | 41 | 46 | 51 | 57 | 55 | 47 | 44 | 36 |
| do okolí | 41 | 43 | 44 | 46 | 44 | 37 | 31 | 25 |
Acessories
CSC 180 weathercap for CVB 180 Centribox
DT 3 adjustable timer
DTS PSA 30/300 air pressure sensors 30-300 Pa
HIG 2 electronic humidistat
KAA 250 antivibration coupling
MAA 250/600 sound attenuator
MBE 250/6,0 electrical heater battery
MBW 250 water heater battery
MFL 250 filter cassette EU 3 (G4)
MSK 250 damper
PER 250 plastic back draft louvre shutter
PM-55/3 3 pole switch
REB 1 N speed controller
REB 1 NE speed controller
RSK 250 backdraft shutter
RTR 6721 area thermostat
SQA air quality sensor
VBM 250 flexible flange connector
ZN 715 adjustable timer














