EDAV/10-800 Ekonovent axial fan with EC motorAxiální ventilátory IP54
Catalog sheet | ![]() | Service instructions | ![]() | 2D/3D CAD | – |
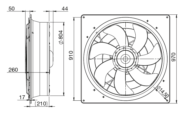
Technical parameters
| max. otáčky [min-1] | průtok (0 Pa) [m3/h] | příkon* [W] | napětí [V / 50 Hz] | Lpa*** [dB(A)] | N** [%] | hmotnost [kg] |
|---|---|---|---|---|---|---|
| 1105 | 28100 | 3100 | 3x400 | 62 | 40/49,9 | 50,1 |
* štítková hodnota motoru; ** N - třída energetické účinnosti dle ErP2015/aktuální; *** při maximálních otáčkách ventilátoru ve vzdálenosti 3 m, bez reflexní složky, směrový činitel Q = 2, na straně výtlaku
![]() | Skříň Skříň je vyrobena z ocelového pozinkovaného plechu opatřeného černým lakem. Krycí mřížka je práškově lakovaná, šrouby jsou galvanicky pokoveny. | |
![]() | Oběžné kolo Oběžné kolo je pevně spojené s rotorem elektromotoru a má aerodynamicky optimalizovaný tvar lopatek pro dosažení nižší úrovně hluku a nižší energetické náročnosti. Oběžné kolo je vyrobeno z nelakované hliníkové slitiny a je staticky a dynamicky vyváženo dle ISO 1940. | |
![]() | Motor Elektronicky komutovaný motor s plynulým řízením otáček pomocí signálu 0…10 V s vestavěnou elektronikou (alternativně je možné řídit otáčky elektromotoru pomocí PWM signálu). Krytí motoru IP54, pracovní teplota v rozsahu –25 °C až +40 °C. Třída účinnosti motoru IE4. Motor je opatřen vestavěnou tepelnou ochranou. Kuličková ložiska jsou oboustranně uzavřená s tukovou náplní na dobu životnosti. | |
![]() | Směr otáčení Směr otáčení při pohledu na rotor elektromotoru proti směru hodinových ručiček. Směr proudění vzduchu je ve směru od motoru k oběžnému kolu. | |
![]() | Svorkovnice Svorkovnice je přístupná po odmontování víčka elektromotoru. | |
![]() | Hluk Hluk emitovaný ventilátorem je uveden v tabulkách. | |
![]() | Montáž Montáž je možná ve vertikální i horizontální poloze ventilátoru (tzn. na stěnu nebo do podlahy nebo stropu). Skříň nesmí přenášet mechanické namáhání potrubních rozvodů. Je nutné použít pružné připojení v případě napojení na potrubí. | |
Akustický výkon LwA v oktávových pásmech v [dB(A)]
| Hz | 63 | 125 | 250 | 500 | 1000 | 2000 | 4000 | 8000 | LwAtot |
|---|---|---|---|---|---|---|---|---|---|
| LwA* | 59 | 65 | 68 | 73 | 75 | 72 | 69 | 65 | 79 |
* na výtlačné straně ventilátoru, v bodě s maximální účinností, U = 10 V
Additional pictures
typový klíč pro objednávání | pracovní body ventilátoru odpovídající max. účinnosti |
Acessories
EDF-CO2/RH CO2/RH area senzor
PAR 800 electric back draft louvre shutter
PER 800 plastic back draft louvre shutter
PMR 800 plastic back draft louvre shutter
PRG 800 plastic external weather louvre
REB Ecowatt speed controller
TRKS 800 metal back draft louvre shutter
TWG 800 sheet metal external weather louvre
Whole assortment 
- Products
- Fans
- Small axial extract fans
- Small centrifugal extract fans
- Circular in-line duct fans
- Rectangular duct fans
- Axial fans
- Roof mounted fans
- Smoke extract fans
- Explosionproof fans
- Anti-corrosive fans
- Fans BA INOX
- Fans PCM
- Fans P
- Fans PR
- Plastic accessories for acidproof fans
- Flexible connectors PV PP
- Inner connection pieces NI PP
- Backdraft shutters KZ PP
- Branch T pipes OBJ PP
- Cross branch pipes OBS PP
- Dampers KKR PP, KKS PP
- Sound attenuator THK PP
- Exhaust extensions VN PP
- Protective grilles MK PP
- Deflector hoods HV PP
- Roof cowls SK PP
- End coverings DV PP
- Free flanges VP PP
- Transformation pieces PRO PP
- Flexible connectors - adapters NAPV PP
- Pipes TR PP
- Bends OL PP
- Fans TMPB/TMPT
- Fans CMPB/CMPT
- Fans PC
- Fans TCV
- Special applications fans
- Industrial fans
- Fans with EC motors
- KABB / KABT Ecowatt economical fans
- CVAB-N/CVAT-N Ekonovent economical fans
- IRB Ecowatt economical centrifugal fans
- EDAV Ekonovent fans
- ECOAIR Ecowatt economical centrifugal fans
- CVAB-N Ecowatt economical fans
- CTB Ecowatt fans
- CRHB/CRVB N Ecowatt fans
- TD Ecowatt economical fans
- RM Ecowatt economical fans
- TD SILENT Ecowatt silent economical fans
- CAB Ecowatt economical fans
- OZEO Ecowatt economical centrifugal fans
- HXBR/TXBR Ecowatt fans
- TD SILENT Ecowatt CAV fans
- CRHB/CRVB N Ecowatt Plus intelligent DCV fans
- CTB Ecowatt Plus intelligent DCV fans
- TH Ecowatt fans
- CAB Ecowatt Plus economical fans
- JETLINE Ecowatt economical fans
- TPSB Ecowatt roof fans
- TD-EVO Ecowatt economical fans
- Air handline units
- Heat recovery units and heat exchangers
- Small recuperation units
- AR Flex systém
- SABIK recuperation units
- EHR 300 Akor heat recovery unit
- ORKA heat recovery units
- EHR 280/325 Akor recuperation units
- IDEO 450/575 Ecowatt recuperation units
- EHR 150 N Ekonovent® recuperation units
- EHR 300/480 N Ekonovent® recuperation units
- Náhradné filtre
- IDEO 325 Ecowatt recuperation units
- DOMEO heat recovery units
- ROVENTO recuperation units
- PLUGGIT heat recovery system
- Flexeo heat recovery units
- NEMBUS heat recovery units
- Ground-coupled heat exchangers
- Recuperation heat exchangers
- Industrial recuperation units
- Single room heat recovery units
- Small recuperation units
- Air curtains
- Special equipment
- Cooker hoods
- Accessories – duct elements
- Electrical exhaust valves
- Condensation traps
- Filter cassettes and filter beds
- Protection guards
- Elbows
- Extenders
- Dumpers, shutters, valves
- Inlet rings
- Mixing chambers
- Mixing / distributing valves
- Couplings MBR
- Flexible flange connectors
- Weathercaps
- Seals
- Vibration attenuators
- Telescopic extenders
- Heater batteries
- Transformation pieces, adapters
- Sound attenuators
- Sound attenuators MAA-Q for circular ducts
- Sound attenuators KMTI for CMB/CMT fans
- Sound attenuators MAA for circular ducts
- Sound attenuators MTS for circular ducts
- Sound attenuators MSD/SGD
- Sound attenuators TAA/TAAC for axial fans
- Sound attenuators IAA for rectangular ducts
- Desk sound attenuator CAA
- Sound attenuators GDH for roof mounted fans
- Sound attenuators JAA for roof mounted fans
- Sound attenuators MAA-CTB for CTB fans
- Sound attenuators SONOULTRA
- Sound attenuators SCZ for axial fans
- Flexible connectors
- External weather louvres
- Coolers
- Assembly consoles and frames
- Roof stands
- Protimrazové ochrany
- Protection grilles
- Flanges
- Condensate drains
- Inspection element
- Accessories - diffusers and grilles
- Air Diffuser
- Swirl diffusers with fixed blades DFR-U
- Circular difusers DRE-CF
- Circular diffusers DRE-C
- Diffusers with thermic regulation DRE-G-TR
- Circular diffusers DRE-E
- Swirl diffusers with fixed blades DFR-E
- Swirl diffusers DFR-B
- Swirl diffusers DRE-G
- Conical air diffusers KHD
- Diffusers with thermic regulation DF-TR
- Swirl diffusers DFR-A
- Swirl diffusers with adjustable nozzles DFR-N
- Swirl diffusers DFR-C
- Universal plastic diffusers WDZA
- Plenum boxes
- Nozzles
- Measuring Ring
- Grilles
- Connection Box
- Diffusers
- Air valves
- Flow regulators
- Air Terminal Element
- Accessories for diffusers and grilles
- Air Diffuser
- Accessories - flexible hoses, shaped pieces
- Speed controllers and switches
- Thermostats, sensors and accessories
- Heat battery controllers
- Control systems
- Accessories - ED Flex System®, ED Plano System®
- Fire dampers
- Fans
- Contacts
- Service
LOG IN
Register now
The registration helps you to easily buy products

Cheap vents
Alternative products for lowend applications and electricians at https://www.univent.cz/
Shop hours
Monday–Thursday: 7.30 a.m.–4.00 p.m.
Friday: 7.30 a.m.–2.00 p.m












