EDAV/6-355 Ekonovent axial fan with EC motorAxiální ventilátory IP54
Catalog sheet | ![]() | Service instructions | ![]() | 2D/3D CAD | 614.69 EUR |
Technical parameters
| max. otáčky [min-1] | průtok (0 Pa) [m3/h] | příkon* [W] | napětí [V / 50 Hz] | Lpa*** [dB(A)] | N** [%] | hmotnost [kg] |
|---|---|---|---|---|---|---|
| 2000 | 4480 | 460 | 1x230 | 64 | 40/47.2 | 9 |
* štítková hodnota motoru; ** N - třída energetické účinnosti dle ErP2015/aktuální; *** při maximálních otáčkách ventilátoru ve vzdálenosti 3 m, bez reflexní složky, směrový činitel Q = 2, na straně výtlaku
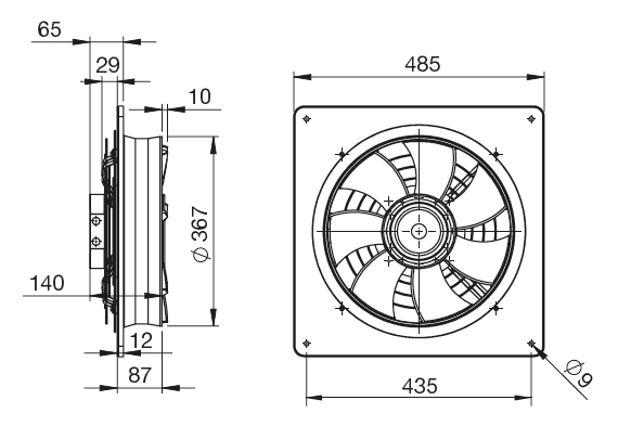
![]() | Skříň Skříň je vyrobena z ocelového pozinkovaného plechu opatřeného černým lakem. Krycí mřížka je práškově lakovaná, šrouby jsou galvanicky pokoveny. | |
![]() | Oběžné kolo Oběžné kolo je pevně spojené s rotorem elektromotoru a má aerodynamicky optimalizovaný tvar lopatek pro dosažení nižší úrovně hluku a nižší energetické náročnosti. Oběžné kolo je vyrobeno ze speciálního kompozitního materiálu černé barvy a je staticky a dynamicky vyváženo dle ISO 1940. | |
![]() | Motor Elektronicky komutovaný motor s plynulým řízením otáček pomocí signálu 0…10 V s vestavěnou elektronikou (alternativně je možné řídit otáčky elektromotoru pomocí PWM signálu). Krytí motoru IP54, pracovní teplota v rozsahu –25 °C až +60 °C. Třída účinnosti motoru IE4. Motor je opatřen vestavěnou tepelnou ochranou. Kuličková ložiska jsou oboustranně uzavřená s tukovou náplní na dobu životnosti. | |
![]() | Směr otáčení Směr otáčení při pohledu na rotor elektromotoru proti směru hodinových ručiček. Směr proudění vzduchu je ve směru od motoru k oběžnému kolu. | |
![]() | Svorkovnice Svorkovnice je přístupná po odmontování víčka elektromotoru. | |
![]() | Hluk Hluk emitovaný ventilátorem je uveden v tabulkách. | |
![]() | Montáž Montáž je možná ve vertikální i horizontální poloze ventilátoru (tzn. na stěnu nebo do podlahy nebo stropu). Skříň nesmí přenášet mechanické namáhání potrubních rozvodů. Je nutné použít pružné připojení v případě napojení na potrubí. | |
Akustický výkon LwA v oktávových pásmech v [dB(A)]
| Hz | 63 | 125 | 250 | 500 | 1000 | 2000 | 4000 | 8000 | LwAtot |
|---|---|---|---|---|---|---|---|---|---|
| LwA* | 50 | 56 | 64 | 71 | 78 | 76 | 71 | 65 | 81 |
* na výtlačné straně ventilátoru, v bodě s maximální účinností, U = 10 V
Additional pictures
typový klíč pro objednávání | pracovní body ventilátoru odpovídající max. účinnosti |
Acessories
EDF-CO2/RH CO2/RH area senzor
PAR 355 electric back draft louvre shutter
PER 355 plastic back draft louvre shutter
PMR 355 plastic back draft louvre shutter
PRG 355 plastic external weather louvre
REB Ecowatt speed controller
TRKS 355 metal back draft louvre shutter
TWG 355 sheet metal external weather louvre














