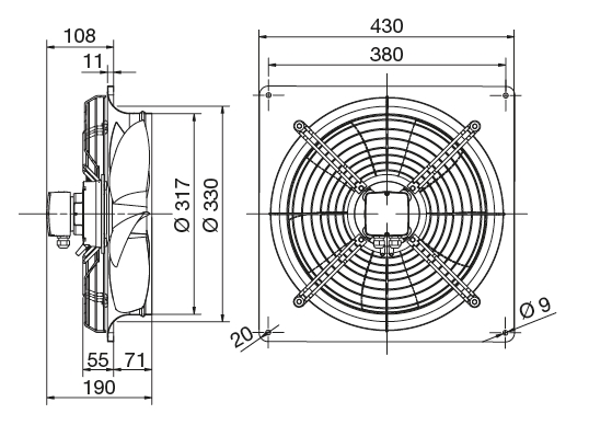
HXBR 315 Ecowatt IP44 economical axial fanAxiální ventilátory IP44
Catalog sheet | ![]() | Service instructions | ![]() | 2D/3D CAD | 625.96 EUR |
Technical parameters
| Ø připojení [mm] | otáčky [min-1] | průtok (0 Pa) [m3/h] | výkon [W] | napětí [V] | proud [A] | akust. tlak [dB(A)] | hmotnost [kg] | regulátor |
|---|---|---|---|---|---|---|---|---|
| 315 | 1675 | 3015 | 167 | 230 | 1,1 | 57 | 6,0 | REB Ecowatt |
![]() | Skříň Skříň je z ocelového galvanizovaného plechu opatřeného černým lakem, montážní konzoly a šrouby jsou galvanicky pokoveny. | |
![]() | Oběžné kolo Oběžné kolo je plastové, tvar „SICKLE“ je speciálně optimalizovaný z hlediska maximálního průtoku a tlaku při minimální hlučnosti. Oběžné kolo je nalisované přímo na motoru. | |
![]() | Motor EC motor s tepelnou ochranou proti přetížení. Ložiska kuličková. Krytí IP44. Pracovní teplota -20 ° až 40 °C. | |
![]() | Směr otáčení Směr otáčení není možno měnit. U nástěnného provedení je standardně průtok vzdušiny od motoru k oběžnému kolu, u potrubního opačně. | |
![]() | Svorkovnice Svorkovnice je standardně z černého plastu. Svorkovnice je umístěna na motoru (nástěnné provedení) nebo na skříni (potrubní provedení). Krytí IP65. | |
![]() | Regulace otáček Regulace otáček se provádí pomocí potenciometru umístěného ve svorkovnici nebo externím ovládáním REB Ecowatt. Dále analogovým vstupem 0–10 V od čidla teploty, vlhkosti nebo CO2. | |
![]() | Hluk Hluk emitovaný ventilátorem je uveden v tabulkách, měření je prováděno ve vzdálenosti rovné trojnásobku průměru oběžného kola (minimálně však 1,5 m) na straně sání. | |
![]() | Montáž Montáž je možná v každé poloze osy motoru. V případě horizontální montáže je nutno v rotoru otevřít otvory pro odtok kondenzátu. Skříň nesmí přenášet mechanické namáhání z potrubních rozvodů. Je nutné použít pružné připojení k potrubí. | |
Akustický výkon v bodě 2 LwA (Qmax) v oktávových pásmech v dB(A)
| Hz | 63 | 125 | 250 | 500 | 1000 | 2000 | 4000 | 8000 | LwAtot |
|---|---|---|---|---|---|---|---|---|---|
| sání | 40 | 57 | 58 | 64 | 66 | 66 | 62 | 54 | 71 |
| výtlak | 42 | 58 | 61 | 65 | 66 | 65 | 61 | 53 | 71 |
Additional pictures
selekční program EASYVENT - podrobnější technické údaje | podrobné technické parametry dle velikosti vstupního signálu |
Acessories
ACOP 315 antivibration coupling
BRIDA 315 flange
CONTROL Ecowatt Basic controller for Ecowatt fans
DEF 315 T protection grill
DT 8-R programmable timer
DTS PSA 30/500 air pressure sensors 30-500 Pa
EDF-CO2/RH CO2/RH area senzor
PAR 315 electric back draft louvre shutter
PER 315 plastic back draft louvre shutter
PMR 315 plastic back draft louvre shutter
PRG 315 plastic external weather louvre
REB Ecowatt speed controller
RTR 6721 area thermostat
TAA 315 sound attenuator
TRK 315 metal back draft louvre shutter
TWG 315 sheet metal external weather louvre















