EnglishSlovenskyČesky

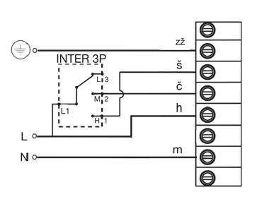
INTER 3P 3-way switchElektrické příslušenství

  Catalog sheet  Service instructions2D/3D CAD49.29 EUR
Pieces  
 Informace
• přepínač otáček na omítku bez polohy vypnuto
• pro ventilátory OZEO-E, OZEO FLAT H
• napětí – 230 V/50 Hz
• proud – 2,5 A
• krytí IP20

 

Content © ELEKTRODESIGN ventilátory spol. s r.o. and providers of a content (Soler & Palau, VIM, Wernig, Eberle, Belimo CZ, UNIVENT CZ and others)