PR-H 632 400V IP55 anti-corrosive fanKyselinovzdorné ventilátory
Catalog sheet | ![]() | Service instructions | ![]() | 2D/3D CAD | – | Toto zboží není možno objednat přes internet, kontaktujte naše obchodní oddělení nebo navštivte naše pobočky. |
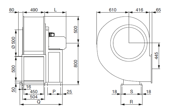
Technical parameters
| otáčky [min-1] | Ø potrubí D [mm] | potrubí AxB [mm] | příkon [kW] | proud [A] | napětí [V] | max. průtok [m3/h] | akust. tlak* [dB(A)] | hmotnost [kg] | regulátor |
|---|---|---|---|---|---|---|---|---|---|
| 2850 | 500 | 450x500 | 37 | 63,4 | 400 | 17480 | 95,2 | 326 | na dotaz |
* akustický tlak ve vzdálenosti 1,5 m ve volném poli při maximální účinnosti a jmenovitých otáčkách
![]() | Skříň Spirální skříň radiálního ventilátoru v levém nebo pravém provedení je standardně vyrobena litím z PE nebo PEel (na vyžádání PP, PPel nebo PVC). Na spoje jsou použity nerezové šrouby. Skříně se dodávají ve dvou provedeních. S kruhovým výfukem u velikostí 45, 50, 56, 63 a 80 nebo čtyřhranným výfukem u velikostí 45 až 110, viz rozměrové schéma. Teplota vzdušiny -15 ˚C až +70 ˚C, teplota okolí do +40 ˚C. | |
![]() | Oběžné kolo Oběžné kolo je radiální, vyrobené litím z PP. Provedení nerez i s povrchovým nátěrem (laminát, tvrdá pryž) na dotaz. | |
![]() | Motor 2, 4 nebo 6 pólový jednofázový nebo třífázový asynchronní motor, třída izolace F, kuličková ložiska s tukovou náplní na dobu životnosti. Motor je umístěn mimo proud vzdušiny. Krytí IP55. Víceotáčkové provedení, provedení do prostředí s nebezpečím výbuchu nebo do venkovního prostředí na dotaz. | |
![]() | Svorkovnice Svorkovnice je umístěna na motoru. | |
![]() | Regulace otáček Regulace otáček se provádí frekvenčním měničem. Motory jsou navrženy tak, aby pokryly celé výkonové pole ventilátoru. Jsou-li požadovány jiné než jmenovité otáčky, použije se frekvenční měnič. | |
![]() | Hluk Hladina akustického tlaku ve vzdálenosti 1,5 m ve volném akustickém poli se odečte na stupnici Lp výkonového diagramu z průsečíku křivky otáček a přímky nejvyšší účinnosti. Akustický výkon v jednotlivých oktávových pásmech pro různé hodnoty otáček je uveden v tabulce pod diagramem. Hodnoty jsou měřeny s tolerancí ±3 dB. | |
![]() | Montáž Montáž se provádí na lakovanou stoličku motoru, která je součástí dodávky ventilátoru. Nerezová stolička na dotaz. | |
![]() | Příslušenství • VFVN, VFTM, VFKB frekv. měniče (K 8.1) • antivibrační sada • vypínač ON/OFF • nátrubek pro odvod kondenzátu • pružná spojka vč. spon sání/výtlak • stříška motoru • ochrana spirální skříně proti roztržení • stolička motoru NEREZ AISI304 Příslušenství vhodné ke kyselinovzdorným ventilátorům naleznete zde. | |
![]() | Pokyny Ventilátory jsou svojí konstrukcí vhodné pro dlouhé vzduchovody v různých technologických a vzduchotechnických aplikacích, v chemickém průmyslu, petrochemii a laboratořích. Nehodí se pro odsávání dřevního prachu a drtě, ani jiných hořlavých nebo výbušných směsí. Ventilátory je třeba spouštět až po připojení na potrubní trasu, aby nedošlo k přetížení motoru. | |
![]() | Upozornění Materiál skříně a kola lze volit v uvedeném rozsahu podle potřeby konkrétního projektu a je třeba jej uvést ve specifikaci ventilátoru. | |
Jmenovité otáčky jsou uvedeny v tabulce. Je-li požadovaný pracovní bod na křivce jiných otáček, je třeba regulovat ventilátor frekvenčním měničem.
Akustický výkon v oktávových pásmech v [dB(A)]
| otáčky [min-1] | 63 | 125 | 250 | 500 | 1000 | 2000 | 4000 | 8000 | Lp* |
|---|---|---|---|---|---|---|---|---|---|
| 950 | 78,9 | 80,9 | 81,9 | 76,9 | 75,9 | 70,9 | 62,9 | 54,9 | 65,1 |
| 1450 | 88,3 | 90,3 | 91,3 | 86,3 | 85,3 | 80,3 | 72,3 | 64,3 | 75,0 |
| 1750 | 92,4 | 94,4 | 95,4 | 90,4 | 89,4 | 84,4 | 76,4 | 68,4 | 79,0 |
| 2000 | 95,4 | 97,4 | 95,4 | 96,4 | 92,4 | 87,4 | 79,4 | 71,4 | 82,8 |
| 2900 | 103,6 | 105,6 | 103,6 | 104,6 | 100,6 | 95,6 | 87,6 | 79,6 | 90,8 |
* akustický výkon a tlak ve volném akustickém poli s tolerancí ±3dB, akustický tlak ve vzdálenosti 1,5 m při maximální účinnosti
Additional pictures
konzultace a návrh | možnosti natočení skříně (ventilátory zobrazeny z pohledu na motor) |

















