RM 400 N metal centrifugal fanRadiální ventilátory do kruhového potrubí
Catalog sheet | ![]() | Service instructions | ![]() | Ecodesign | ![]() | 2D/3D CAD | 1 186.85 EUR |
Technical parameters
| otáčky [min-1] | výkon [W] | napětí [V] | proud [A] | max. teplota [°C] | průtok (0 Pa) [m3/h] | hmotnost [kg] | regulace | doběhový spínač | akust. tlak* [dB(A)] |
|---|---|---|---|---|---|---|---|---|---|
| 1380 | 536 | 230 | 2,30 | 50 | 3890 | 22,2 | REV 3; REB 2,5 | DT 8-R | 59/63/49 |
* akustický tlak měřen ve vzdálenosti 1,5 m ve volném poli při max. průtoku vzduchu
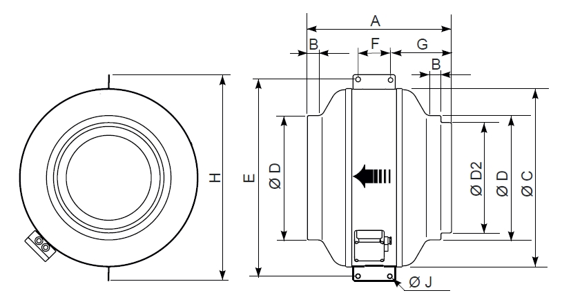
![]() | Skříň Skříň je vylisována z ocelového pozinkového plechu. Velikosti 355 a 400 jsou vyrobeny z ocelového plechu opatřeného černým polyesterovým lakem. Ventilátory jsou dodávány standardně s montážní konzolou. | |
![]() | Oběžné kolo Oběžné kolo je radiální s dozadu zahnutými lopatkami. Oběžné kolo je nalisované na vnější rotor motoru a je plastové (velikosti 100-250), z ocelového plechu (velikost 315) nebo hliníkové (velikosti 355 a 400). | |
![]() | Motor Motor je asynchronní jednofázový 230 V – 50/60 Hz nebo třífázový s napájecím napětím 230/400 V – 50Hz (RM N T). Tepelná pojistka je umístěna ve vinutí motoru. Ložiska jsou kuličková s tukovou náplní po dobu životnosti. Třída izolace B, krytí IP44 (velikosti 100 až 250), třída izolace F, krytí IP44 (velikost 315), třída izolace F, krytí IP54 (velikosti 355 a 400). | |
![]() | Svorkovnice Svorkovnice je z černého plastu a je umístěna na skříni ventilátoru. | |
![]() | Regulace otáček Regulace otáček se provádí elektronickými nebo transformátorovými regulátory. Třífázové provedení lze regulovat frekvenčními měniči. | |
![]() | Montáž Montáž ventilátoru v každé poloze osy motoru. Skříň nesmí přenášet mechanické namáhání z potrubních rozvodů. Je nutné použít pružné připojení k potrubí. | |
![]() | Pokyny Ventilátory jsou určeny k odvětrání rodinných domů, sociálních zařízení, kanceláří a provozoven. Výhodně lze při instalaci do podhledu použít flexohadice, tvarovky, rozváděcí skříně a talířové ventily. Ventilátory lze použít ve spojení s hygrostatem HIG 2 nebo s hygrostatem kombinovaným s termostatem pro odvětrání vlhkých prostor. | |
Additional pictures
akustický výkon LwA v oktávových pásmech v [dB(A)] | podrobné technické parametry | montážní konzola (součást dodávky) |
Acessories
DT 8-R programmable timer
EAK electrical exhaust valve
HIG 2 electronic humidistat
KAA 400 antivibration coupling
MAA 400/900 sound attenuator
MBE 400/9.0 electrical heater battery
MBW 400 water heater battery
MFL 400 filter cassette EU 3 (G4)
MSK 400 damper
PER 400 plastic back draft louvre shutter
REB 5 speed controller
REV 3,0 A regulátor otáček
RSK 400 backdraft shutter
RTR 6721 area thermostat
SQA air quality sensor
VBM 400 flexible flange connector






Ecodesign







