EnglishSlovenskyČesky

SD 2 star/delta switchElektrické příslušenství

  Catalog sheet  Service instructions2D/3D CAD76.94 EUR
Pieces  
Look and dimensions:
 
ŠířkaVýškaHloubka
9213595
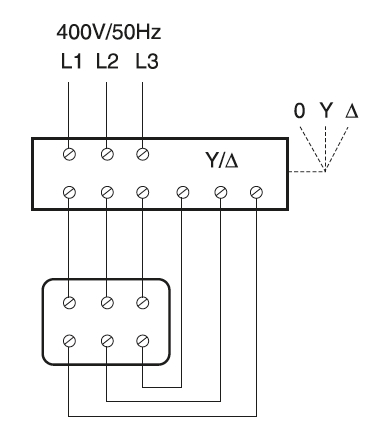
 Informace
• přepínání Y/D u motorů, které jsou k tomu výrobcem určeny
• montáž na omítku
• krytí IP55
• napětí 500 V
• max. proud 16 A

 

Content © ELEKTRODESIGN ventilátory spol. s r.o. and providers of a content (Soler & Palau, VIM, Wernig, Eberle, Belimo CZ, UNIVENT CZ and others)