TCBT/4-450 H 230/400 V IP65 axial fanAxiální ventilátory IP65
Catalog sheet | ![]() | Service instructions | ![]() | 2D/3D CAD | 1 281.36 EUR |
Technical parameters
| otáčky [m-1] | průtok (0 Pa) [m3/h] | výkon [W] | napětí [V] | proud [A] | max. teplota [°C] | akustický tlak* [dB(A)] | hmotnost [kg] | regulátor |
|---|---|---|---|---|---|---|---|---|
| 1405 | 6650 | 526 | 230/400 | 1,9/1,1 | 70 | 63 | 21 | RDV 2,5; VFVN 020-3L-2 |
* akustický tlak měřen ve volném poli ve vzdálenosti rovné trojnásobku průměru oběžného kola, minimálně 1,5 m.
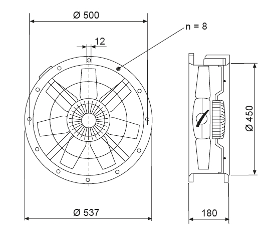
![]() | Skříň Skříň je z ocelového plechu, opatřeného černým lakem, montážní konzoly a šrouby jsou galvanicky pokoveny. | |
![]() | Oběžné kolo Oběžné kolo je vyrobeno z hliníkové slitiny. Oběžné kolo je staticky a dynamicky vyváženo, rozsah pracovních teplot je v rozmezí -40 až +70 °C. | |
![]() | Motor Motor je asynchronní s odporovou kotvou, stator s chladicími žebry, povrchová úprava černým lakem. Motory jsou sériově vybaveny tepelnou ochranou, vinutí je tropikalizované s izolací třídy F a pracovní teplotou -40 až +70 °C. Kuličková ložiska mají tukovou náplň na dobu životnosti. Krytí IP65. | |
![]() | Směr otáčení Směr otáčení je možno měnit u jednofázových i třífázových motorů. Se standardním oběžným kolem klesne pri opačném směru otáčení průtok o cca 30 %. Je možno objednat oběžné kolo pro opačný směr otáčení. Průtok vzdušiny je standardně od oběžného kola k motoru. | |
![]() | Svorkovnice Svorkovnice je standardně z černého plastu. U jednofázového provedení obsahuje také rozběhový kondenzátor. Svorkovnice je umístěna na skříni (potrubní provedení). | |
![]() | Regulace otáček Regulace otáček se provádí elektronickými a transformátorovými regulátory změnou napětí nebo frekvenčními měniči. | |
![]() | Hluk Hluk uvedený ve výkonových charakteristikách odpovídá hodnotám akustického tlaku ve volném poli ve vzdálenosti trojnásobku průměru oběžného kola (minimálně 1,5 m). | |
![]() | Montáž Montáž ventilátoru v každé poloze osy motoru. Skříň nesmí přenášet mechanické namáhání z potrubních rozvodů. Je nutné použít pružné připojení k potrubí. | |
![]() | Pokyny Ventilátory série COMPACT jsou ventilátory s vysokým výkonem a z hlediska zástavby do potrubní sítě s výhodnou krátkou skříní. | |
Akustický výkon Lwa (Qmax) v oktávových pásmech v dB(A)
| Hz | 63 | 125 | 250 | 500 | 1000 | 2000 | 4000 | 8000 | Lwatot |
|---|---|---|---|---|---|---|---|---|---|
| dB(A) | 46 | 58 | 65 | 71 | 73 | 71 | 67 | 59 | 77 |
Additional pictures
typový klíč pro objednávání | EASYVENT selekční program | připojení svorkovnice s kabelovou průchodkou PG11 | doporučené příslušenství |
Acessories
ACOP 450 antivibration coupling
BRIDA 450 flange
DEF 450 T protection grill
PAR 450 electric back draft louvre shutter
PER 450 plastic back draft louvre shutter
PMR 450 plastic back draft louvre shutter
PRG 450 plastic external weather louvre
RDV 2,5 A speed regulator
TAA 450 sound attenuator
TAD 450 inlet ring
TRKS 450 metal back draft louvre shutter
TSK 450 backdraft shutter
TWG 450 sheet metal external weather louvre
VFVN 020-3L-2 frequence controller
















