TCBT/4-800 L PTC 230/400 V IP55 axial fanAxiální ventilátory IP55
Catalog sheet | ![]() | Service instructions | ![]() | 2D/3D CAD | 2 457.40 EUR | Toto zboží není možno objednat přes internet, kontaktujte naše obchodní oddělení nebo navštivte naše pobočky. |
Technical parameters
| otáčky [m-1] | průtok (0 Pa) [m3/h] | výkon [W] | napětí [V] | proud [A] | max. teplota [°C] | akustický tlak* [dB(A)] | hmotnost [kg] | regulátor |
|---|---|---|---|---|---|---|---|---|
| 1460 | 29950 | 3750 | 400 | 6,5 | 40 | 76 | 65 | VFVN 020-3L-9-PTC |
* akust. tlak do okolí ve vzdálenosti 1,5 m ve volném akustickém poli,
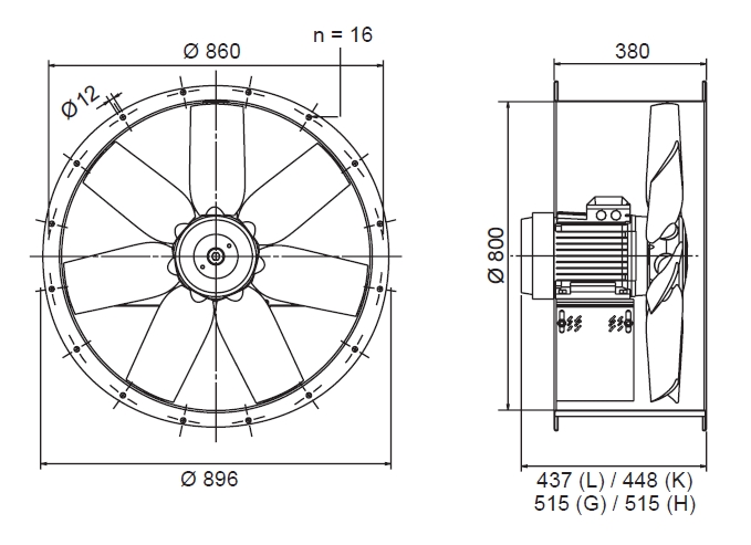
![]() | Skříň Skříň je z ocelového plechu, opatřeného černým lakem, montážní konzoly a šrouby jsou galvanicky pokoveny. | |
![]() | Oběžné kolo Oběžné kolo je vyrobeno z hliníkové slitiny. Oběžné kolo je staticky a dynamicky vyváženo, rozsah pracovních teplot je v rozmezí -40 až +40 °C. | |
![]() | Motor Motor je asynchronní, dle typu s odporovou kotvou nakrátko, stator s chladicími žebry, povrchová úprava černým lakem. Motory s odporovou kotvou jsou vybaveny tepelnou ochranou (termokontakty nebo PTC), vinutí je tropikalizované s izolací třídy F a pracovní teplotou –40 až +40 ˚C. Kuličková ložiska mají tukovou náplň na dobu životnosti. Krytí IP55. | |
![]() | Směr otáčení Směr otáčení je možno měnit u jednofázových i třífázových motorů. Se standardním oběžným kolem klesne pri opačném směru otáčení průtok o cca 30 %. Je možno objednat oběžné kolo pro opačný směr otáčení. Průtok vzdušiny je standardně od oběžného kola k motoru. | |
![]() | Svorkovnice Svorkovnice je standardně z černého plastu. U jednofázového provedení obsahuje také rozběhový kondenzátor. Svorkovnice je umístěna na skříni (potrubní provedení). | |
![]() | Regulace otáček Regulace otáček se provádí frekvenčním měničem. | |
![]() | Hluk Hluk uvedený ve výkonových charakteristikách odpovídá hodnotám akustického tlaku ve volném poli ve vzdálenosti trojnásobku průměru oběžného kola (minimálně 1,5 m). | |
![]() | Montáž Montáž ventilátoru v každé poloze osy motoru. Skříň nesmí přenášet mechanické namáhání z potrubních rozvodů. Je nutné použít pružné připojení k potrubí. | |
![]() | Pokyny Ventilátory série COMPACT jsou ventilátory s vysokým výkonem a z hlediska zástavby do potrubní sítě s výhodnou krátkou skříní. | |
Akustický výkon Lwa (Qmax) v oktávových pásmech v dB(A)
| Hz | 63 | 125 | 250 | 500 | 1000 | 2000 | 4000 | 8000 | Lwatot |
|---|---|---|---|---|---|---|---|---|---|
| dB(A) | 57 | 73 | 83 | 90 | 91 | 88 | 82 | 74 | 95 |
Additional pictures
typový klíč pro objednávání | EASYVENT selekční program | připojení svorkovnice s kabelovou průchodkou PG11 | doporučené příslušenství |
Acessories
ACOP 800 antivibration coupling
BRIDA 800 flange
DEF 800 T protection grill
PAR 800 electric back draft louvre shutter
PER 800 plastic back draft louvre shutter
PMR 800 plastic back draft louvre shutter
PRG 800 plastic external weather louvre
TAA 800 sound attenuator
TRKS 800 metal back draft louvre shutter
TSK 800 backdraft shutter
TWG 800 sheet metal external weather louvre
















