TD 1100/250 Ex explosionproof fanNevýbušné ventilátory zóny 1 a 2
Catalog sheet | ![]() | Service instructions | ![]() | 2D/3D CAD | 1 525.87 EUR | Toto zboží není možno objednat přes internet, kontaktujte naše obchodní oddělení nebo navštivte naše pobočky. |
Technical parameters
| Otáčky [min-1] | Průtok (0 Pa) [m3/h] | Příkon [W] | Napětí [V] | Proud [A] | Akust. tlak* [dB(A)] | Max. teplota [°C] | Hmotnost [kg] | Motorová ochrana |
|---|---|---|---|---|---|---|---|---|
| 2630 | 1130 | 197 | 230 | 0,81 | 59/46/65 | -20 až +40 | 20 | MS-Ex-1,0 |
* sání / do okolí / výtlak, akustický tlak měřen ve vzdálenosti 3m ve volném akustickém poli, max. průtok, připojené potrubí na výtlaku a sání. Měřeno v prac. bodě B.
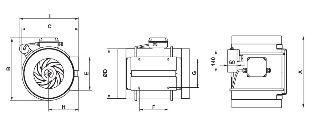
![]() | Skříň Skříň je z antistatického plastu (TD-800 Ex) nebo ocelového plechu opatřeného černým polyesterovým lakem (TD-1100 Ex a TD-1200 Ex), držáky a šrouby jsou navíc galvanicky pokoveny. | |
![]() | Oběžné kolo Oběžné kolo je staticky a dynamicky vyváženo, rozsah pracovních teplot je v rozmezí -20 až + 40 °C. | |
![]() | Motor Motor je asynchronní s kotvou nakrátko, stator s chladicími žebry. Kuličková ložiska mají tukovou náplň na dobu životnosti. Krytí IP44, třída izolace B. | |
![]() | Směr otáčení Standardně je průtok vzdušniny od oběžného kola k motoru. | |
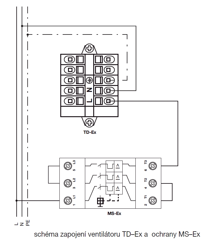
![]() | Svorkovnice Svorkovnice je v nevýbušném provedení umístěna na motoru včetně nevýbušného kondenzátoru. Krytí IP55. | |
![]() | Regulace otáček Nevýbušné ventilátory nejsou určeny pro regulaci otáček. | |
![]() | Montáž Montáž ventilátoru v každé poloze osy motoru. Skříň nesmí přenášet mechanické namáhání z potrubních rozvodů. Je nutné použít pružné připojení k potrubí. | |
![]() | Pokyny Pozor: ventilátory jsou ve speciálním provedení pro ČR. Pro osazení jistících prvků a tím bezpečný provoz ventilátoru jsou rozhodujícím podkladem hodnoty In, Ia/In (2) a te (60s) uvedené na štítku ventilátoru. Po dodání ventilátoru je nutné tyto hodnoty pečlivě zkontrolovat. | |
Akustický výkon LwA v oktávových pásmech v [dB(A)]
| Hz | 63 | 125 | 250 | 500 | 1000 | 2000 | 4000 | 8000 | Lwatot |
|---|---|---|---|---|---|---|---|---|---|
| sání A | 40 | 57 | 69 | 75 | 73 | 76 | 66 | 59 | 80 |
| sání B | 40 | 58 | 70 | 75 | 72 | 74 | 65 | 57 | 79 |
| sání C | 40 | 62 | 74 | 73 | 69 | 71 | 62 | 54 | 78 |
| výtlak A | 54 | 55 | 70 | 80 | 82 | 81 | 72 | 62 | 86 |
| výtlak B | 48 | 53 | 70 | 80 | 81 | 79 | 70 | 61 | 85 |
| výtlak C | 41 | 56 | 72 | 80 | 78 | 76 | 68 | 58 | 84 |
| do okolí A | 32 | 37 | 45 | 53 | 63 | 65 | 55 | 49 | 68 |
| do okolí B | 32 | 38 | 46 | 53 | 62 | 63 | 54 | 47 | 66 |
| do okolí C | 32 | 42 | 50 | 51 | 59 | 60 | 51 | 44 | 63 |
Whole assortment 
- Products
- Fans
- Small axial extract fans
- Small centrifugal extract fans
- Circular in-line duct fans
- Rectangular duct fans
- Axial fans
- Roof mounted fans
- Smoke extract fans
- Explosionproof fans
- Anti-corrosive fans
- Fans BA INOX
- Fans PCM
- Fans P
- Fans PR
- Plastic accessories for acidproof fans
- Flexible connectors PV PP
- Inner connection pieces NI PP
- Backdraft shutters KZ PP
- Branch T pipes OBJ PP
- Cross branch pipes OBS PP
- Dampers KKR PP, KKS PP
- Sound attenuator THK PP
- Exhaust extensions VN PP
- Protective grilles MK PP
- Deflector hoods HV PP
- Roof cowls SK PP
- End coverings DV PP
- Free flanges VP PP
- Transformation pieces PRO PP
- Flexible connectors - adapters NAPV PP
- Pipes TR PP
- Bends OL PP
- Fans TMPB/TMPT
- Fans CMPB/CMPT
- Fans PC
- Fans TCV
- Special applications fans
- Industrial fans
- Fans with EC motors
- KABB / KABT Ecowatt economical fans
- CVAB-N/CVAT-N Ekonovent economical fans
- IRB Ecowatt economical centrifugal fans
- EDAV Ekonovent fans
- ECOAIR Ecowatt economical centrifugal fans
- CVAB-N Ecowatt economical fans
- CTB Ecowatt fans
- CRHB/CRVB N Ecowatt fans
- TD Ecowatt economical fans
- RM Ecowatt economical fans
- TD SILENT Ecowatt silent economical fans
- CAB Ecowatt economical fans
- OZEO Ecowatt economical centrifugal fans
- HXBR/TXBR Ecowatt fans
- TD SILENT Ecowatt CAV fans
- CRHB/CRVB N Ecowatt Plus intelligent DCV fans
- CTB Ecowatt Plus intelligent DCV fans
- TH Ecowatt fans
- CAB Ecowatt Plus economical fans
- JETLINE Ecowatt economical fans
- TPSB Ecowatt roof fans
- TD-EVO Ecowatt economical fans
- Air handline units
- Heat recovery units and heat exchangers
- Small recuperation units
- AR Flex systém
- SABIK recuperation units
- EHR 300 Akor heat recovery unit
- ORKA heat recovery units
- EHR 280/325 Akor recuperation units
- IDEO 450/575 Ecowatt recuperation units
- EHR 150 N Ekonovent® recuperation units
- EHR 300/480 N Ekonovent® recuperation units
- Náhradné filtre
- IDEO 325 Ecowatt recuperation units
- DOMEO heat recovery units
- ROVENTO recuperation units
- PLUGGIT heat recovery system
- Flexeo heat recovery units
- NEMBUS heat recovery units
- Ground-coupled heat exchangers
- Recuperation heat exchangers
- Industrial recuperation units
- Single room heat recovery units
- Small recuperation units
- Air curtains
- Special equipment
- Cooker hoods
- Accessories – duct elements
- Electrical exhaust valves
- Condensation traps
- Filter cassettes and filter beds
- Protection guards
- Elbows
- Extenders
- Dumpers, shutters, valves
- Inlet rings
- Mixing chambers
- Mixing / distributing valves
- Couplings MBR
- Flexible flange connectors
- Weathercaps
- Seals
- Vibration attenuators
- Telescopic extenders
- Heater batteries
- Transformation pieces, adapters
- Sound attenuators
- Sound attenuators MAA-Q for circular ducts
- Sound attenuators KMTI for CMB/CMT fans
- Sound attenuators MAA for circular ducts
- Sound attenuators MTS for circular ducts
- Sound attenuators MSD/SGD
- Sound attenuators TAA/TAAC for axial fans
- Sound attenuators IAA for rectangular ducts
- Desk sound attenuator CAA
- Sound attenuators GDH for roof mounted fans
- Sound attenuators JAA for roof mounted fans
- Sound attenuators MAA-CTB for CTB fans
- Sound attenuators SONOULTRA
- Sound attenuators SCZ for axial fans
- Flexible connectors
- External weather louvres
- Coolers
- Assembly consoles and frames
- Roof stands
- Protimrazové ochrany
- Protection grilles
- Flanges
- Condensate drains
- Inspection element
- Accessories - diffusers and grilles
- Air Diffuser
- Swirl diffusers with fixed blades DFR-U
- Circular difusers DRE-CF
- Circular diffusers DRE-C
- Diffusers with thermic regulation DRE-G-TR
- Circular diffusers DRE-E
- Swirl diffusers with fixed blades DFR-E
- Swirl diffusers DFR-B
- Swirl diffusers DRE-G
- Conical air diffusers KHD
- Diffusers with thermic regulation DF-TR
- Swirl diffusers DFR-A
- Swirl diffusers with adjustable nozzles DFR-N
- Swirl diffusers DFR-C
- Universal plastic diffusers WDZA
- Plenum boxes
- Nozzles
- Measuring Ring
- Grilles
- Connection Box
- Diffusers
- Air valves
- Flow regulators
- Air Terminal Element
- Accessories for diffusers and grilles
- Air Diffuser
- Accessories - flexible hoses, shaped pieces
- Speed controllers and switches
- Thermostats, sensors and accessories
- Heat battery controllers
- Control systems
- Accessories - ED Flex System®, ED Plano System®
- Fire dampers
- Fans
- Contacts
- Service
LOG IN
Register now
The registration helps you to easily buy products

Cheap vents
Alternative products for lowend applications and electricians at https://www.univent.cz/
Shop hours
Monday–Thursday: 7.30 a.m.–4.00 p.m.
Friday: 7.30 a.m.–2.00 p.m













