TGT/6-1000-6/-3 IP55 axial fanAxiální ventilátory s nastavitelnými lopatkami IP55
Catalog sheet | ![]() | Service instructions | ![]() | 2D/3D CAD | – | Toto zboží není možno objednat přes internet, kontaktujte naše obchodní oddělení nebo navštivte naše pobočky. |
Technical parameters
| otáčky [min-1] | počet listů | příkon [kW] | napětí [V] | proud [A] | průměr připojení [mm] | hmotnost krátká skříň [kg] | hmotnost dlouhá skříň [kg] |
|---|---|---|---|---|---|---|---|
| 950 | 6 | 3,0 | 230/400 | 12,7/7,3 | 1000 | 148 | 169 |
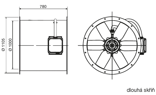
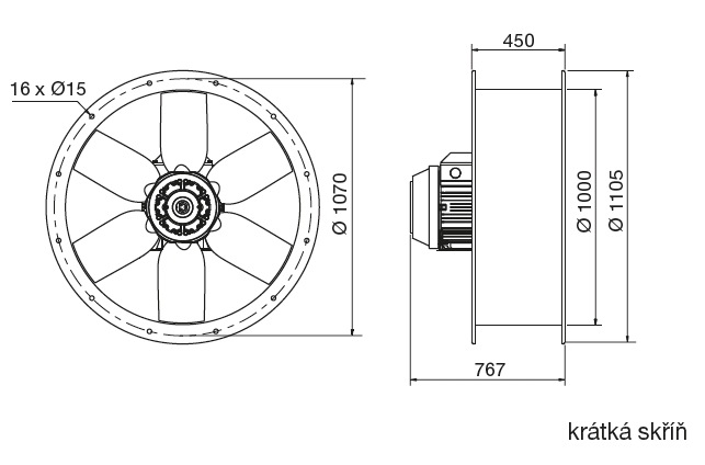
![]() | Skříň Skříň je v krátkém nebo dlouhém provedení, je svařena z ocelového plechu odolného proti korozi s žárově pozinkovaným povrchem, s přírubami do kruhového potrubí. U dlouhé verze na přání servisní dvířka. | |
![]() | Oběžné kolo Oběžné kolo je vyrobeno z Al slitiny a je staticky i dynamicky vyváženo. Nastavení úhlu listu oběžného kola je provedeno výrobcem (8º – 32º). Počet lopatek 3, 6 nebo 9. | |
![]() | Motor Motor je asynchronní s kotvou nakrátko. Motory jsou s izolací třídy F a pracovní teplotou -20 až +40 °C. Krytí IP55. Třída účinnosti IE3. | |
![]() | Směr průtoku Směr průtoku je standardně od oběžného kola k motoru. | |
![]() | Svorkovnice Standardně externí svorkovnice pouze u dlouhé verze skříně. Na přání je externí svorkovnice možná i u krátké verze. | |
![]() | Regulace otáček Regulace otáček je možná u vybraných typů frekvenčním měničem – informujte se na aktuální možnosti dodávek. | |
![]() | Hluk Hluk emitovaný ventilátorem je uveden v charakteristikách ventilátoru. Odečtením korekcí (v tabulce u jednotlivých charakteristik) od hodnoty akustického výkonu LwAtot [dB(A)] uvedené ve výkonových charakteristikách ventilátoru v jednotlivých zónách se získá hodnota akustického výkonu LwA [dB(A)] ve středu oktávových pásem. | |
![]() | Montáž Montáž ventilátoru v každé poloze, přednostně s osou motoru vodorovně. Skříň nesmí přenášet mechanické namáhání z potrubních rozvodů. Je nutné použít pružné připojení k potrubí. | |
Hodnoty korekcí pro oktávová pásma
| Hz | 63 | 125 | 250 | 500 | 1000 | 2000 | 4000 | 8000 |
|---|---|---|---|---|---|---|---|---|
| zóna A | 33 | 18 | 9 | 5 | 5 | 8 | 15 | 23 |
| zóna B | 33 | 15 | 8 | 5 | 5 | 10 | 16 | 25 |
| zóna C | 28 | 18 | 10 | 5 | 5 | 7 | 13 | 21 |
Additional pictures















