TH 1300 3V IP44 mixed flow fanStřešní ventilátory dvouotáčkové pro odvod a přívod
Catalog sheet | ![]() | Service instructions | ![]() | 2D/3D CAD | 1 105.12 EUR |
Technical parameters
| otáčky VO [min-1] | výkon [W] | proud [A] | průtok (0 Pa) [m3/h] | napětí [V] | max. teplota [°C] | akust. tlak* [dB(A)] | hmotnost [kg] |
|---|---|---|---|---|---|---|---|
| 2480/2140/1920 | 192/152/133 | 0,8/0,6/0,5 | 1060/910/800 | 230 | 60 | 61/58/56 | 11,2 |
Vysoké / střední / nízké otáčky. * akustický tlak vyzářený do okolí je měřen ve vzdálenosti 3 m ve volném poli s připojeným potrubním na straně sání
![]() | Skříň Skříň je vyrobena z ocelového galvanizovaného plechu, stříška z hliníku, obojí opatřeno černým epoxidovým lakem. | |
![]() | Oběžné kolo Oběžné kolo je z ocelového plechu. | |
![]() | Motor Motor je asynchronní s kotvou nakrátko, s trojím vinutím pro troje otáčky. Motory jsou vybaveny tepelnou pojistkou. Ložiska jsou kuličková. Tuková náplň ložisek je na dobu jejich životnosti. Třída izolace F, krytí IP44. | |
![]() | Směr průtoku Průtok vzdušiny je možno změnit otočením ventilátorového dílu s motorem a oběžným kolem po povolení a sejmutí stahovacích objímek. | |
![]() | Svorkovnice Svorkovnice je umístěna na skříni ventilátoru, obsahuje rozběhový kondenzátor. | |
![]() | Regulace otáček Regulace otáček se provádí standardně přepínačem, při požadavku na plynulou regulaci změnou napětí elektronickými nebo transformátorovými regulátory. Při použití elektronických fázově řízených regulátorů se může zejména při nízkých otáčkách projevit intenzivní parazitní hluk. V tom případě je nutno použít transformátorovou regulaci. | |
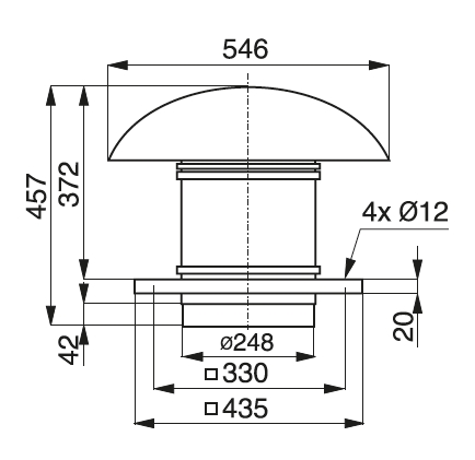
![]() | Montáž Střešní ventilátory TH se montují montážní základnou na vodorovné střešní konstrukce nebo stavebně připravené zděné sokly. Dále je možno použít sokly JMS a JBS viz konec této kapitoly. | |
![]() | Pokyny Ventilátor je univerzální pro odvod i přívod, změna použití je pouze otočením ventilátorové jednotky po uvolnění montážních spon a vložením (vyjmutím) usměrňovací vložky. | |
Akustický výkon v oktávových pásmech v [dB(A)]
| pracovní bod | 63 | 125 | 250 | 500 | 1000 | 2000 | 4000 | 8000 | LwAtot |
|---|---|---|---|---|---|---|---|---|---|
| 1 - sání | 38 | 46 | 59 | 60 | 71 | 69 | 63 | 59 | 74 |
| 1 - výtlak | 42 | 49 | 65 | 71 | 77 | 75 | 66 | 59 | 80 |
| 2 - sání | 38 | 48 | 63 | 60 | 69 | 67 | 61 | 57 | 72 |
| 2 - výtlak | 39 | 49 | 67 | 71 | 74 | 72 | 64 | 56 | 78 |
| 3 - sání | 35 | 43 | 56 | 57 | 68 | 66 | 60 | 56 | 71 |
| 3 - výtlak | 39 | 46 | 62 | 68 | 74 | 72 | 63 | 56 | 77 |
| 4 - sání | 36 | 46 | 61 | 58 | 67 | 65 | 59 | 55 | 70 |
| 4 - výtlak | 37 | 47 | 65 | 69 | 72 | 70 | 62 | 54 | 75 |
| 5 - sání | 33 | 41 | 54 | 55 | 66 | 64 | 58 | 54 | 69 |
| 5 - výtlak | 37 | 44 | 60 | 66 | 72 | 70 | 61 | 54 | 75 |
| 6 - sání | 33 | 43 | 58 | 55 | 64 | 62 | 56 | 52 | 68 |
| 6 - výtlak | 34 | 44 | 62 | 66 | 69 | 67 | 59 | 51 | 73 |
Additional pictures
univerzální pro odvod i přívod, změna použití otočením ventilátorové jednotky | příklad použití ventilátorů | doporučené příslušenství |
Acessories
COM 3 3-way switch
DT 3 adjustable timer
EAK electrical exhaust valve
INTER 4P 3-way switch
JBS 435 300mm roof stand
JMS 435 roof mounting frame
KAA 250 antivibration coupling
MAA 250/600 sound attenuator
MCA 1000+1300/250 backdraft shutter
MRJ 1000+1300/250 protection grill
REB 1 N speed controller
REV 1,5 A speed regulator
RSK 250 backdraft shutter
SPIRO 250 spiro duct (3 m)
VBM 250 flexible flange connector















