TXBR/6-400 IP54 axial fanAxiální ventilátory
Catalog sheet | ![]() | Service instructions | ![]() | 2D/3D CAD | 845.06 EUR | Toto zboží není možno objednat přes internet, kontaktujte naše obchodní oddělení nebo navštivte naše pobočky. |
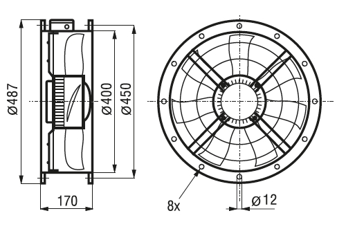
Technical parameters
| Ø připojení [mm] | otáčky [min-1] | průtok (0 Pa) [m3/h] | výkon [W] | napětí [V] | proud [A] | max. teplota [°C] | akust. tlak [dB(A)] | hmotnost [kg] | regulátor |
|---|---|---|---|---|---|---|---|---|---|
| 400 | 935 | 3300 | 124 | 230 | 0,6 | 50 | 49 | 9 | REB 1; REV 1,5 |
![]() | Skříň Skříň je z ocelového galvanizovaného plechu opatřeného černým lakem, montážní konzoly a šrouby jsou galvanicky pokoveny. | |
![]() | Oběžné kolo Oběžné kolo je z ocelového plechu do Ø 355, vyšší průměry mají lopatky z Al slitiny, tvar „SICKLE“ je speciálně optimalizovaný z hlediska maximálního průtoku a tlaku při minimální hlučnosti. Oběžné kolo je nalisované přímo na motoru. | |
![]() | Motor Motor je asynchronní s kotvou nakrátko, vnějším rotorem a rozběhovým kondenzátorem. Izolace třídy F, krytí IP54. Kuličková ložiska s tukovou náplní na dobu životnosti. Motor je dynamicky vyvážen dle ISO 1940. | |
![]() | Směr otáčení Směr otáčení není možno měnit. U nástěnného provedení je standardně průtok vzdušiny od motoru k oběžnému kolu, u potrubního opačně. Za příplatek lze objednat ventilátor s opačným průtokem (pro trhy mimo platnost ErP). | |
![]() | Svorkovnice Svorkovnice je standardně z černého plastu. U jednofázového provedení obsahuje také rozběhový kondenzátor. Svorkovnice je umístěna na motoru (nástěnné provedení) nebo na skříni (potrubní provedení). | |
![]() | Regulace otáček Regulace otáček je možná pouze u typů, u kterých je v tabulce parametrů uveden regulátor. | |
![]() | Hluk Hluk emitovaný ventilátorem je uveden v tabulkách, měření je prováděno ve vzdálenosti rovné trojnásobku průměru oběžného kola (minimálně však 1,5 m) na straně sání. | |
![]() | Montáž Montáž je možná v každé poloze osy motoru. V případě horizontální montáže je nutno v rotoru otevřít otvory pro odtok kondenzátu. Skříň nesmí přenášet mechanické namáhání z potrubních rozvodů. Je nutné použít pružné připojení k potrubí. | |
Akustický výkon LwA v oktávových pásmech v [dB(A)]
| Hz | 63 | 125 | 250 | 500 | 1000 | 2000 | 4000 | 8000 | LwAtot |
|---|---|---|---|---|---|---|---|---|---|
| dB(A) | 28 | 47 | 51 | 57 | 60 | 58 | 52 | 46 | 64 |
Additional pictures
typový klíč pro objednávání | EASYVENT selekční program | doporučená sestava příslušenství |
Acessories
ACOP 400 antivibration coupling
BRIDA 400 flange
DEF 400 T protection grill
PER 400 plastic back draft louvre shutter
PIE 400 support feet
PMR 400 plastic back draft louvre shutter
REB 1 N speed controller
REB 1 NE speed controller
REV 1,5 A speed regulator
TAA 400 sound attenuator
TAD 400 inlet ring
TSK 400 backdraft shutter
TSKM 400 backdraft shutter
TVS 400/170 extender
TWG 400 sheet metal external weather louvre















