TXTR/4-560 IP54 axial fanAxiální ventilátory
Catalog sheet | ![]() | Service instructions | ![]() | 2D/3D CAD | 1 180.29 EUR |
Technical parameters
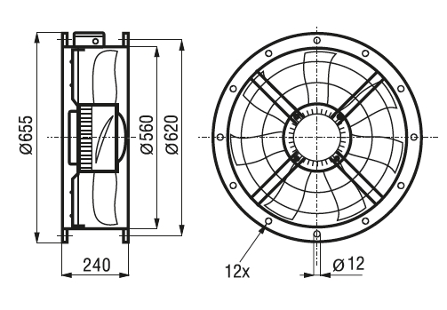
| Ø připojení [mm] | otáčky [min-1] | průtok (0 Pa) [m3/h] | výkon [W] | napětí [V] | proud [A] | max. teplota [°C] | akust. tlak [dB(A)] | hmotnost [kg] | regulátor |
|---|---|---|---|---|---|---|---|---|---|
| 560 | 1410 | 12040 | 1201 | 400 | 2,4 | 70 | 69 | 21,5 | VFVN 020-3L-4 |
![]() | Skříň Skříň je z ocelového galvanizovaného plechu opatřeného černým lakem, montážní konzoly a šrouby jsou galvanicky pokoveny. | |
![]() | Oběžné kolo Oběžné kolo je z ocelového plechu do Ø 355, vyšší průměry mají lopatky z Al slitiny, tvar „SICKLE“ je speciálně optimalizovaný z hlediska maximálního průtoku a tlaku při minimální hlučnosti. Oběžné kolo je nalisované přímo na motoru. | |
![]() | Motor Motor je asynchronní s kotvou nakrátko, vnějším rotorem a rozběhovým kondenzátorem. Izolace třídy F, krytí IP54. Kuličková ložiska s tukovou náplní na dobu životnosti. Motor je dynamicky vyvážen dle ISO 1940. | |
![]() | Směr otáčení Směr otáčení není možno měnit. U nástěnného provedení je standardně průtok vzdušiny od motoru k oběžnému kolu, u potrubního opačně. Za příplatek lze objednat ventilátor s opačným průtokem (pro trhy mimo platnost ErP). | |
![]() | Svorkovnice Svorkovnice je standardně z černého plastu. U jednofázového provedení obsahuje také rozběhový kondenzátor. Svorkovnice je umístěna na motoru (nástěnné provedení) nebo na skříni (potrubní provedení). | |
![]() | Regulace otáček Regulace otáček je možná pouze u typů, u kterých je v tabulce parametrů uveden regulátor. | |
![]() | Hluk Hluk emitovaný ventilátorem je uveden v tabulkách, měření je prováděno ve vzdálenosti rovné trojnásobku průměru oběžného kola (minimálně však 1,5 m) na straně sání. | |
![]() | Montáž Montáž je možná v každé poloze osy motoru. V případě horizontální montáže je nutno v rotoru otevřít otvory pro odtok kondenzátu. Skříň nesmí přenášet mechanické namáhání z potrubních rozvodů. Je nutné použít pružné připojení k potrubí. | |
Akustický výkon LwA v oktávových pásmech v [dB(A)]
| Hz | 63 | 125 | 250 | 500 | 1000 | 2000 | 4000 | 8000 | LwAtot |
|---|---|---|---|---|---|---|---|---|---|
| dB(A) | 51 | 66 | 74 | 78 | 81 | 78 | 72 | 67 | 85 |
Additional pictures
typový klíč pro objednávání | EASYVENT selekční program | doporučená sestava příslušenství |
Acessories
ACOP 560 antivibration coupling
BRIDA 560 flange
DEF 560 T protection grill
PER 560 plastic back draft louvre shutter
PIE 560 support feet
PMR 560 plastic back draft louvre shutter
TAA 560 sound attenuator
TAD 560 inlet ring
TSK 560 backdraft shutter
TSKM 560 backdraft shutter
TVS 560/170 extender
TWG 560 sheet metal external weather louvre
VFVN 020-3L-4 frequence controller
Whole assortment 
- Products
- Fans
- Small axial extract fans
- Small centrifugal extract fans
- Circular in-line duct fans
- Rectangular duct fans
- Axial fans
- Roof mounted fans
- Smoke extract fans
- Explosionproof fans
- Anti-corrosive fans
- Fans BA INOX
- Fans PCM
- Fans P
- Fans PR
- Plastic accessories for acidproof fans
- Flexible connectors PV PP
- Inner connection pieces NI PP
- Backdraft shutters KZ PP
- Branch T pipes OBJ PP
- Cross branch pipes OBS PP
- Dampers KKR PP, KKS PP
- Sound attenuator THK PP
- Exhaust extensions VN PP
- Protective grilles MK PP
- Deflector hoods HV PP
- Roof cowls SK PP
- End coverings DV PP
- Free flanges VP PP
- Transformation pieces PRO PP
- Flexible connectors - adapters NAPV PP
- Pipes TR PP
- Bends OL PP
- Fans TMPB/TMPT
- Fans CMPB/CMPT
- Fans PC
- Fans TCV
- Special applications fans
- Industrial fans
- Fans with EC motors
- KABB / KABT Ecowatt economical fans
- CVAB-N/CVAT-N Ekonovent economical fans
- IRB Ecowatt economical centrifugal fans
- EDAV Ekonovent fans
- ECOAIR Ecowatt economical centrifugal fans
- CVAB-N Ecowatt economical fans
- CTB Ecowatt fans
- CRHB/CRVB N Ecowatt fans
- TD Ecowatt economical fans
- RM Ecowatt economical fans
- TD SILENT Ecowatt silent economical fans
- CAB Ecowatt economical fans
- OZEO Ecowatt economical centrifugal fans
- HXBR/TXBR Ecowatt fans
- TD SILENT Ecowatt CAV fans
- CRHB/CRVB N Ecowatt Plus intelligent DCV fans
- CTB Ecowatt Plus intelligent DCV fans
- TH Ecowatt fans
- CAB Ecowatt Plus economical fans
- JETLINE Ecowatt economical fans
- TPSB Ecowatt roof fans
- TD-EVO Ecowatt economical fans
- Air handline units
- Heat recovery units and heat exchangers
- Small recuperation units
- AR Flex systém
- SABIK recuperation units
- EHR 300 Akor heat recovery unit
- ORKA heat recovery units
- EHR 280/325 Akor recuperation units
- IDEO 450/575 Ecowatt recuperation units
- EHR 150 N Ekonovent® recuperation units
- EHR 300/480 N Ekonovent® recuperation units
- Náhradné filtre
- IDEO 325 Ecowatt recuperation units
- DOMEO heat recovery units
- ROVENTO recuperation units
- PLUGGIT heat recovery system
- Flexeo heat recovery units
- NEMBUS heat recovery units
- Ground-coupled heat exchangers
- Recuperation heat exchangers
- Industrial recuperation units
- Single room heat recovery units
- Small recuperation units
- Air curtains
- Special equipment
- Cooker hoods
- Accessories – duct elements
- Electrical exhaust valves
- Condensation traps
- Filter cassettes and filter beds
- Protection guards
- Elbows
- Extenders
- Dumpers, shutters, valves
- Inlet rings
- Mixing chambers
- Mixing / distributing valves
- Couplings MBR
- Flexible flange connectors
- Weathercaps
- Seals
- Vibration attenuators
- Telescopic extenders
- Heater batteries
- Transformation pieces, adapters
- Sound attenuators
- Sound attenuators MAA-Q for circular ducts
- Sound attenuators KMTI for CMB/CMT fans
- Sound attenuators MAA for circular ducts
- Sound attenuators MTS for circular ducts
- Sound attenuators MSD/SGD
- Sound attenuators TAA/TAAC for axial fans
- Sound attenuators IAA for rectangular ducts
- Desk sound attenuator CAA
- Sound attenuators GDH for roof mounted fans
- Sound attenuators JAA for roof mounted fans
- Sound attenuators MAA-CTB for CTB fans
- Sound attenuators SONOULTRA
- Sound attenuators SCZ for axial fans
- Flexible connectors
- External weather louvres
- Coolers
- Assembly consoles and frames
- Roof stands
- Protimrazové ochrany
- Protection grilles
- Flanges
- Condensate drains
- Inspection element
- Accessories - diffusers and grilles
- Air Diffuser
- Swirl diffusers with fixed blades DFR-U
- Circular difusers DRE-CF
- Circular diffusers DRE-C
- Diffusers with thermic regulation DRE-G-TR
- Circular diffusers DRE-E
- Swirl diffusers with fixed blades DFR-E
- Swirl diffusers DFR-B
- Swirl diffusers DRE-G
- Conical air diffusers KHD
- Diffusers with thermic regulation DF-TR
- Swirl diffusers DFR-A
- Swirl diffusers with adjustable nozzles DFR-N
- Swirl diffusers DFR-C
- Universal plastic diffusers WDZA
- Plenum boxes
- Nozzles
- Measuring Ring
- Grilles
- Connection Box
- Diffusers
- Air valves
- Flow regulators
- Air Terminal Element
- Accessories for diffusers and grilles
- Air Diffuser
- Accessories - flexible hoses, shaped pieces
- Speed controllers and switches
- Thermostats, sensors and accessories
- Heat battery controllers
- Control systems
- Accessories - ED Flex System®, ED Plano System®
- Fire dampers
- Fans
- Contacts
- Service
LOG IN
Register now
The registration helps you to easily buy products

Cheap vents
Alternative products for lowend applications and electricians at https://www.univent.cz/
Shop hours
Monday–Thursday: 7.30 a.m.–4.00 p.m.
Friday: 7.30 a.m.–2.00 p.m













